Zum Hauptinhalt springen

Kraftsensor PCE-C-R19LFC Serie 5-500 kg

Kraftsensor PCE-C-R19LFC 100-H9

Best.Nr.: PCE-C-R19LFC 100-H9
EAN: 4250348734693
276,90 €
332,28 €
Preis zzgl. Versandkosten*
:
4250348734693
PCE-C-R19LFC 100-H9
Lieferzeit:2 Wochen
Ihre PCE Instruments Vorteile
Rabatte für Bildungseinrichtungen

Rabatte für Bildungseinrichtungen

Kostenloser technischer Support

Kostenloser technischer Support

15 Werktage Rückgaberecht

15 Werktage Rückgaberecht

Sicheres Bezahlen

Sicheres Bezahlen

Technischer Support

Beschreibung

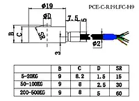
Ein Kraftsensor aus nicht rostenden Stahl mit einer Messunsicherheit von nur 0,5 %. Mit den Abmessungen von Ø 19 mm und einer Bauhöhe von 9 m ist der Kraftsensor sehr vielseitig einsetzbar.

Spezifikation

Nennlast / kraft F.S. 100 kg
1000 N

Grenzlast / kraft 120 %
Bruchlast / kraft 150 %
Nennkennwert 1,0 – 1,5 mV/V
Gebrauchsbereich der Speisespannung2,5 V – 5 V
Maximale Speisespannung5 V
Abweichungen des Nullsignals± 2 % F.S.
Linearitätsabweichung0,5 … 1,0 % F.S.
Umkehrspannung (Hysterese)0,5 % F.S.
Wiederholbarkeit0,5 % F.S.
Belastungskriechen (30 min)0,1 % F.S.
Eingangswiderstand350 ± 10 Ω
Ausgangswiderstand350 ± 3 Ω
Isolationswiederstand≥5000 MΩ / 100 VDC
Nennbereich der Umgebungstemperatur      -10 … 60 °C
Gebrauchstemperaturbereich-20 … 80 °C
Temperaturkoeffizient des Kennwertes0,1 % F.S. / 10 °C
Temperaturkoeffizient des Nullpunktes0,1 % F.S. / 10 °C
SensorkabelØ 2 x 3 m / (Enden offen)
KabelbelegungEXC+ = rot
EXC- = schwarz
SIG+ = grün
SIG- =  weiss
GND = gelb
Material / MesskörperEdelstahl
SchutzartIP65


Lieferumfang

1 x Kraftsensor PCE-C-R19LFC 100-H9

Dokumente / Downloads