Zum Hauptinhalt springen

Estación meteorológica

Estación meteorológica PCE-FST-200-201-I

Referencia: PCE-FST-200-201-I
GTIN (EAN): 4250348716392
S/ 1,562.00
S/ 1,843.16
Precio sin IVA ni gastos de envío (S/ 0.00 + IVA)
:
4250348716392
PCE-FST-200-201-I
Plazo de entrega:1-3 Días (Salvo fin Stock)

Descripción

Estación meteorológica robusta para instalación fija / revestimiento en polvo /
resistente a la intemperie, debido a los diversos sellos
La estación meteorológica es un sensor que se puede conectar a una amplia variedad de equipos de medición disponibles. La estacion meteorologica detecta incluso los movimientos del viento más pequeños y las mediciones se transmiten en forma analógica. Está fabricada de una aleación de metal, que lo protege contra la oxidación del aire y por lo tanto evita la oxidación. Esto permite que pueda utilizarse en entornos más difíciles. Las partes más sensibles están protegidas con juntas, para evitar la penetración del agua o del polvo fino. Tiene un sensor de cazoletas y es sensible a la velocidad del viento más baja, menos de 0,5 m/s. Está disponible en diferentes versiones con diferentes salidas. Este modelo está disponible con una salida de 4 ... 20 mA.

Características

- Aleación metálica
- Una larga vida útil
- Protección por varios sellos
- Señal de salida analógica
- Fácil montaje
- Detecta pequeños movimientos del aire

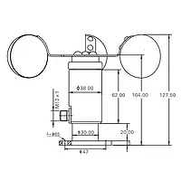
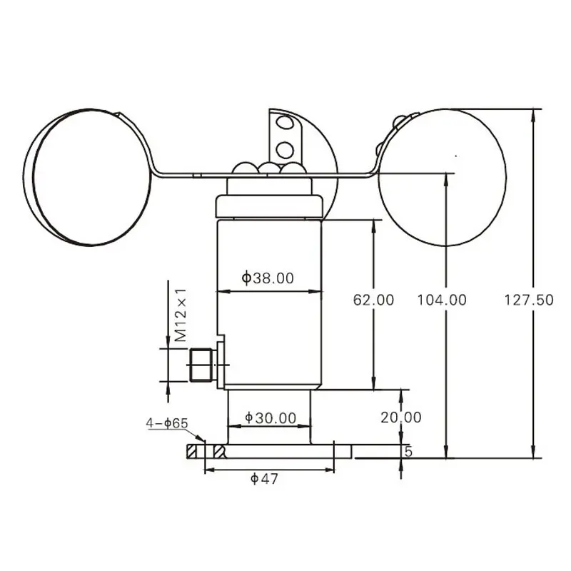
Especificaciones

Señal de salida4 ... 20 mA (PCE-FST-200-201-I)
Fuente de alimentación 12 ... 36 V DC
Rango de medición1,8 km/s ... 180 km/s
Medición desde ≤ 0,5 m/s
Precisión±1,8 m/s (<18 km/s)
± 3% de la escala completa (≥18 km / s)
Salida de calor10 W a 24 V DC
Temperatura de funcionamiento     -20 ... 85 ° C en ≤95% H.r.
Velocidad máx. del viento70 m / s en el máximo 30 minutos
Conexión de alimentaciónM12
Tipo de protecciónIP65

Contenido del envío

1 x Estación meteorológica para velocidad del viento PCE-FST-200-201
1 x Cable de 3 m con conector M12
1 x Manual de instrucciones

Documentos / Descargas