Zum Hauptinhalt springen

Kraftsensor PCE-C-R13LFC Serie 5-100 kg

Kraftsensor PCE-C-R13LFC 5-H7

Best.Nr.: PCE-C-R13LFC 5-H7
EAN: 4250348734709
256,90 €
310,85 €
Preis zzgl. Versandkosten*
:
4250348734709
PCE-C-R13LFC 5-H7
Lieferzeit:2 Wochen
0,5 % F.S
Druck
Rundform
5 - 100kg
Ihre PCE Instruments Vorteile
Rabatte für Bildungseinrichtungen

Rabatte für Bildungseinrichtungen

Kostenloser technischer Support

Kostenloser technischer Support

15 Werktage Rückgaberecht

15 Werktage Rückgaberecht

Sicheres Bezahlen

Sicheres Bezahlen

Technischer Support

Beschreibung

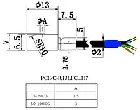
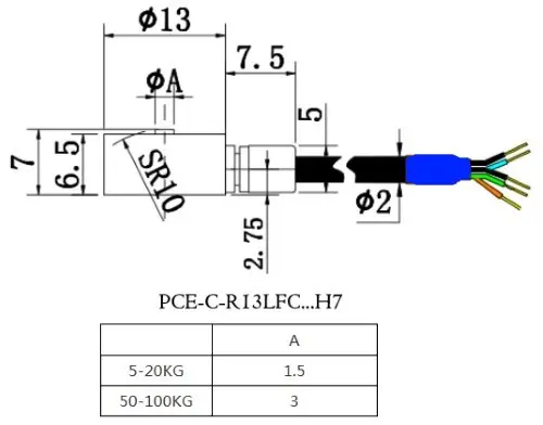
Ein Kraftsensor aus nicht rostenden Stahl mit einer Messunsicherheit von nur 0,5 %. Mit den Abmessungen von Ø 13 mm und einer Bauhöhe von 7 mm ist der Kraftsensor sehr vielseitig einsetzbar.

Spezifikation

Nennlast / kraft F.S. 5 kg
50 N

Grenzlast / kraft 120 %
Bruchlast / kraft 150 %
Nennkennwert 1,0 – 1,5 mV/V
Gebrauchsbereich der Speisespannung2,5 V – 5 V
Maximale Speisespannung5 V
Abweichungen des Nullsignals± 2 % F.S.
Linearitätsabweichung0,5 % F.S.
Umkehrspannung (Hysterese)0,5 % F.S.
Wiederholbarkeit0,5 % F.S.
Belastungskriechen (30 min)0,1 % F.S.
Eingangswiderstand350 ± 10 Ω
Ausgangswiderstand350 ± 3 Ω
Isolationswiederstand≥5000 MΩ / 100 VDC
Nennbereich der Umgebungstemperatur-10 … 60 °C
Gebrauchstemperaturbereich-20 … 80 °C
Temperaturkoeffizient des Kennwertes0,1 % F.S. / 10 °C
Temperaturkoeffizient des Nullpunktes0,1 % F.S. / 10 °C
SensorkabelØ 2 x 3 m / (Enden offen)
KabelbelegungEXC+ = rot
EXC- = schwarz
SIG+ = grün
SIG- =  weiss
GND = gelb
Material / MesskörperEdelstahl
SchutzartIP65


Lieferumfang

1 x Kraftsensor PCE-C-R13LFC 5-H7

Dokumente / Downloads