Zum Hauptinhalt springen

Kraftaufnehmer / Kraftmessdose PCE-HFG 25K

Hydraulische Kraftmessdose PCE-HFG 25K

Best.Nr.: PCE-HFG 25K
EAN: 4250348722874
579,90 €
707,48 €
Preis zzgl. Versandkosten*
:
4250348722874
PCE-HFG 25K
Lieferzeit:1 - 2 Werktage
Ihre PCE Instruments Vorteile
Rabatte für Bildungseinrichtungen

Rabatte für Bildungseinrichtungen

Kostenloser technischer Support

Kostenloser technischer Support

15 Werktage Rückgaberecht

15 Werktage Rückgaberecht

Sicheres Bezahlen

Sicheres Bezahlen

Technischer Support

Beschreibung

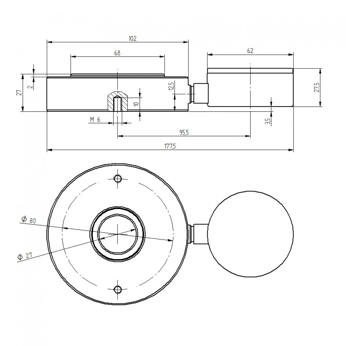
Kraftmessdose mit analoger Skala / kompakt für kleine Bauräume / 
Schleppzeiger / mit Befestigungsbohrungen / 27 mm größe Ringöffnung

Eine Kraftmessdose basiert auf dem Prinzip, dass die Kraft die auf den Druckstempel wirkt, hydraulisch gemessen wird. Der erzeugte hydraulische Druck wird von der Kraftmessdose auf einer Skala in Newton angezeigt. Mit dem integrieren Schleppzeiger kann unsere Kraftmessdose den jeweiligen maximalen Messwert anzeigen.

Eine weitere Besonderheit der Kraftmessdose ist die 27 mm große Ringöffnung. Mit dieser Ringöffnung lassen sich mit der Kraftmessdose Messungen an zum Beispiel Führungsschienen, Wellen und auch Bolzen von zum Beispiel einer Hydraulikpresse durchführen. Mit dem einsetzbaren Stempeladapter lässt sich die Kraftmessdose in Sekundenschnelle von einem Ringkraftmessgerät in ein Druckstempelkraftmessgerät umbauen. Somit ist die Kraftmessdose flexibel einsetzbar.

Überall wo Kräfte wirken, die gemessen werden sollen, findet eine Kraftmessdose seine Anwendung. Optimal einsetzbar ist ein hydraulisches Kraftmessgerät daher bei Wartungsmessungen und Justierarbeiten von zum Beispiel industriellen Maschinen.

Merkmale

- Hydraulischer Kraftaufnehmer aus rostfreiem Stahl
- Messung statischer Druckkräfte
- Ringkraftaufnehmer und Druckstempel
- Schraubaufnahme für die axiale Montage
- integrierter Schleppzeiger
- Druckkraftanzeige in Kilonewton [kN]

Spezifikation

Kraft 
Messbereich  0 ... 25000 N
Auflösung  1000 N
Genauigkeit  ±1,95 % v.E.
  
Allgemeine technische Daten 
Einheit(en)  kN
Display Typ  Analog
Sensor  Hydraulischer Kraftaufnehmer
Befestigung  Bohrungen 2 x M6
Abmessungen  Maße der Anzeige: Ø55 mm
Schutzklasse (Gerät)  IP52
Betriebsbedingungen  0 ... 50 °C , 20 ... 90 % r. F.
Lagerbedingungen  -10 ... 60 °C , 20 ... 90 % r. F.
Abmessungen ( L x B x H x D )  175 x 100 x 28 x 55 mm
Gewicht  1600 g

Lieferumfang

1 x Kraftaufnehmer / Kraftmessdose PCE-HFG 25K
1 x Transportkoffer
1 x Einsatzplatte
1 x Bedienungsanleitung