Zum Hauptinhalt springen

Kraftsensor PCE-C-R12LFC Serie 5-50 kg

Kraftsensor PCE-C-R12LFC 10-H4

Best.Nr.: PCE-C-R12LFC 10-H4
EAN: 4250348734792
295,90 €
355,08 €
Preis zzgl. Versandkosten*
:
4250348734792
PCE-C-R12LFC 10-H4
Lieferzeit:2 Wochen
Ihre PCE Instruments Vorteile
Rabatte für Bildungseinrichtungen

Rabatte für Bildungseinrichtungen

Kostenloser technischer Support

Kostenloser technischer Support

15 Werktage Rückgaberecht

15 Werktage Rückgaberecht

Sicheres Bezahlen

Sicheres Bezahlen

Technischer Support

Beschreibung

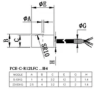
Der flache Miniatur – Kraftsensor hat eine Bauhöhe von nur 4 mm. Mit dem Durchmesser von Ø 12 mm ist dieser Miniatur – Kraftsensor sehr kompakt. Dabei erreicht dieser Kraftsensor eine Messunsicherheit von nur 0,5 %.

Spezifikation

Nennlast / kraft F.S.10 kg
100 N

Grenzlast / kraft 120 %
Bruchlast / kraft 150 %
Nennkennwert 1,0 – 1,5 mV/V
Gebrauchsbereich der Speisespannung2,5 V – 5 V
Maximale Speisespannung5 V
Abweichungen des Nullsignals± 2 % F.S.
Linearitätsabweichung0,5 % F.S.
Umkehrspannung (Hysterese)0,5 % F.S.
Wiederholbarkeit0,5 % F.S.
Belastungskriechen (30 min)0,1 % F.S.
Eingangswiderstand350 ± 10 Ω
Ausgangswiderstand350 ± 3 Ω
Isolationswiederstand≥5000 MΩ / 100 VDC
Nennbereich der Umgebungstemperatur-10 … 60 °C
Gebrauchstemperaturbereich-20 … 80 °C
Temperaturkoeffizient des Kennwertes0,1 % F.S. / 10 °C
Temperaturkoeffizient des Nullpunktes0,1 % F.S. / 10 °C
SensorkabelØ 2 x 3 m / (Enden offen)
KabelbelegungEXC+ = rot
EXC- = schwarz
SIG+ = grün
SIG- =  weiss
GND = gelb
Material / MesskörperEdelstahl
SchutzartIP65


Lieferumfang

1 x Kraftsensor PCE-C-R12LFC 10-H4

Dokumente / Downloads