Zum Hauptinhalt springen

PCE-RT2000-RP131 Nutensensor

PCE-RT2000-RP131 Nutensensor

Best.Nr.: PCE-RT2000-RP131
EAN: 4250348744050
1.270,90 €
1.512,37 €
Preis zzgl. Versandkosten*
:
4250348744050
PCE-RT2000-RP131
Ihre PCE Instruments Vorteile
Rabatte für Bildungseinrichtungen

Rabatte für Bildungseinrichtungen

Kostenloser technischer Support

Kostenloser technischer Support

15 Werktage Rückgaberecht

15 Werktage Rückgaberecht

Sicheres Bezahlen

Sicheres Bezahlen

Technischer Support

Beschreibung

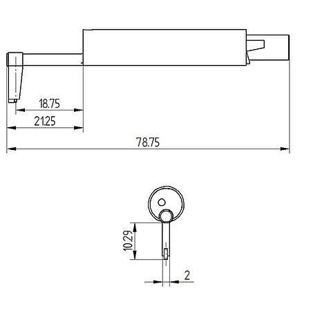
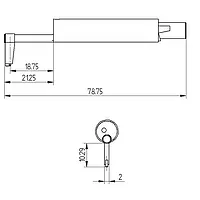
Tastkopf für das PCE-RT 1200, PCE-RT 2000 und PCE-RT 2200 zur Vermessung der Rauheit von Nuten. Der Sensor ist für Nuten einsetzbar, welche mehr als 2,5 mm breit sind. Dabei ist darauf zu achten, dass die Nutentiefe maximal 10 mm betragen darf.



Merkmale

- Prüfspitze für Nuten
- Mindestnutenbreite: 2,5 mm
- Maximale Nutentiefe: 10 mm
Für die Messung wird der Teststand PCE-RT2000-Teststand empfohlen


Lieferumfang

1 x PCE-RT2000-RP131 Nutensensor