Zum Hauptinhalt springen

Datenlogger Set PCE-HT71N-5

Datenlogger Set PCE-HT71N-5

Best.Nr.: PCE-HT71N-5
EAN:
426,90 €
508,01 €
Topseller
Preis zzgl. Versandkosten*
PCE-HT71N-5
Lieferzeit:1 - 2 Werktage
Batterie
2
Feuchte/Temperatur
Temperatur + Luftfeuchtigkeit (Klima)-Datenlogger
Innen
ja
USB
Ihre PCE Instruments Vorteile
Rabatte für Bildungseinrichtungen

Rabatte für Bildungseinrichtungen

Kostenloser technischer Support

Kostenloser technischer Support

15 Werktage Rückgaberecht

15 Werktage Rückgaberecht

Sicheres Bezahlen

Sicheres Bezahlen

Technischer Support

Beschreibung

Mini-Datenlogger zur Langzeitmessung von Temperatur und relativer Feuchtigkeit /
32 k Speicher / USB-Schnittstelle / Software mit Taupunkt-Berechnung / Miniformat /
Versorgung via langlebiger Lithium- Batterie
Das Feuchtemessgerät erfasst Luftfeuchte und Lufttemperatur und speichert sie intern ab. Dieses kompakte und robuste Feuchtemessgerät im Mini-Format und mit einem großen Speicher (bis zu max. 32000 Werte / 16000 Werte je Parameter) dient vor allem der Langzeitregistrierung (Kühltheken in Kaufhäusern, Kühltransporte, Lagerhäuser, PC-Klimaräume). Dabei dient das Gerät als autarker Logger, der alle Klima-Daten im gewünschten Zeitraum registriert. Bei Belieben können alle Werte zu einem Laptop oder PC übertragen werden. Die Speicherung kann entweder direkt am PC ausgelöst werden oder Sie lassen das Feuchte- messgerät zeitversetzt erst vor Ort aufzeichnen. Nach der Übertragung der Werte zum PC können diese dort analysiert werden. Ebenfalls berechnet die im Lieferumfang befindliche Software den Taupunkt. Die interne Echtzeituhr mit Datum erlaubt dem Benutzer eine genaue Zuordnung der Ereignisse. Ein besonderes Merkmal ist die Versorgung dieses Gerätes über eine langlebige interne 3,6 V Lithium- Batterie. Je nach Benutzung liegt die Lebensdauer dieser Batterie bei etwa einem Jahr.

Merkmale

- 32 K Speicherkapazität
- USB-Schnittstelle
- Software zur Datenauswertung an PC oder Laptop
  im Lieferumfang (die Software berechnet auch den
  Taupunkt)
- Wandhalterung im Lieferumfang
- einstellbare Echtzeituhr mit Datum (Abweichung 3s
   / Monat)
- einstellbare Speicherrate (2 s ... 24 h)
- Lithium- Batterie mit sehr langer Lebensdauer
- nicht flüchtiges EEPROM
- Statusindikation über LED`s (inkl. Alarmierung)
- Alarmgrenzen frei programmierbar
- Batterie austauschbar

Spezifikation

Technische Spezifikation 
Messbereich0 ... 100 % r.F. / -40 … +70 °C
Genauigkeit±3 % r.F. / ±1 °C
Auflösung0,1 % r.F. / 0,1 °C
Sensorenintern (Feuchte und Temperatur)
Speicherkapazitätmax. 32.000 Messwerte (16000 je Parameter)
Messrate / Aufzeichnungsintervalleinstellbar, 2 s, 5 s, 10 s ... 24 h
Start-/ Stoppzeit, Datumprogrammierbar
Alarmgrenzenfrei wählbar
Statusanzeigeüber 2 LED`s (Aufnahme läuft / Alarm)
SchnittstelleUSB
SoftwareWindows xp / Vista / 7
Taupunkttemperaturwird nach Übertragung der Daten in der Software berechnet (Genauigkeit ±2 °C)
Versorgungaustauschbare, 3,6 V Lithium- Batterie
(Lebenszeit ca. 1 Jahr)
Positionierung- in der mitgelieferten Wandhalterung
- frei liegend, z.B. auf einem Tisch
Umgebungsbedingungen-40 ...+70 °C / 0 ... 100 % r.F.
GehäuseABS-Kunststoff
Dimensionen102 x 30 mm
Gewicht25 g
Software
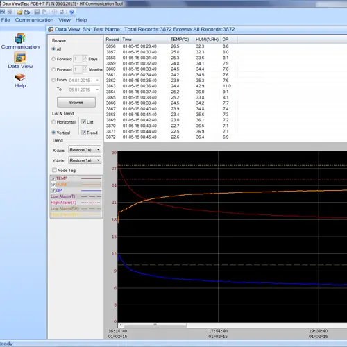
Professionelle Auswerte- und Programmier-Software für PC`s und Laptops. Die Software hat folgende Eigenschaften:
- Zahlenkolonnen und grafische Darstellung (x-t-Diagramm mit Uhrzeit und Datum), die Wertereihen
können auch in z.B. MS Excel übernommen werden.
Diese englische Software ist in der Bedienungsanleitung komplett in deutscher Sprache beschrieben und bebildert. So können Sie leicht die Einstellungen am Datenlogger bzw. die Auswertung der Messwerte am PC vornehmen. 

Lieferumfang

Lieferumfang
5 x Datenlogger PCE-HT 71N, 5 x Wandhalterung, Batterien,
5 x Software und Bedienungsanleitung