Zum Hauptinhalt springen

Kraftmessgerät PCE-HFG 1K-ICA

Kraftmessgerät PCE-HFG 1K-ICA inkl. ISO- Kalibrierzertifikat

Best.Nr.: PCE-HFG 1K-ICA
EAN: 4250348726032
709,90 €
844,78 €
Preis zzgl. Versandkosten*
:
4250348726032
PCE-HFG 1K-ICA
Lieferzeit:5 - 7 Werktage
Intern
Nein
Nein
Ihre PCE Instruments Vorteile
Rabatte für Bildungseinrichtungen

Rabatte für Bildungseinrichtungen

Kostenloser technischer Support

Kostenloser technischer Support

15 Werktage Rückgaberecht

15 Werktage Rückgaberecht

Sicheres Bezahlen

Sicheres Bezahlen

Technischer Support

Beschreibung

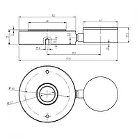
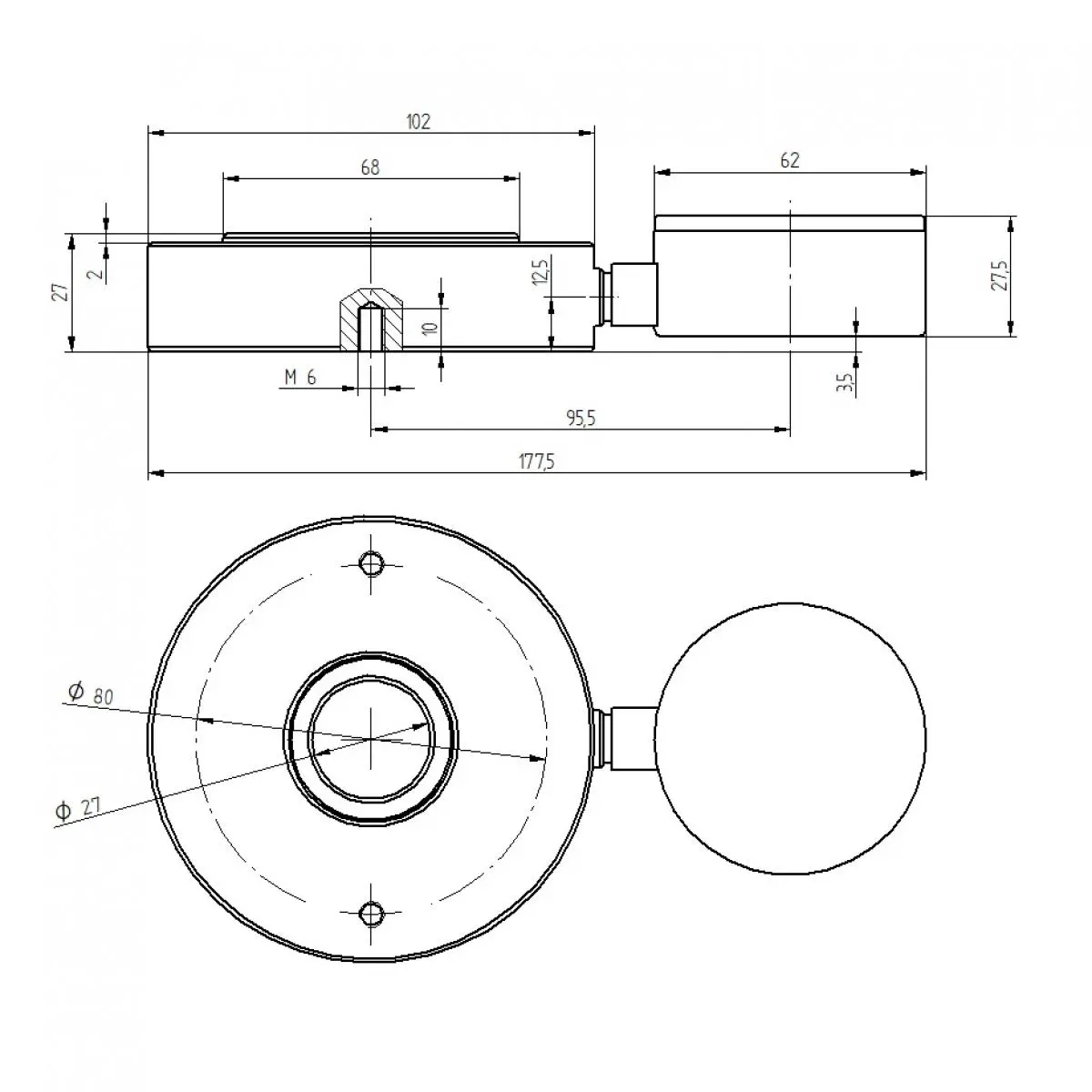
 Kraftmessgerät mit analoger Skala / kompakt für kleine Bauräume / 
Schleppzeiger / mit Befestigungsbohrungen / 27 mm größe Ringöffnung

Ein Kraftmessgerät basiert auf dem Prinzip, dass die Kraft die auf den Druckstempel wirkt, hydraulisch gemessen wird. Der erzeugte hydraulische Druck wird von dem Kraftmessgerät auf einer Skala in Newton angezeigt. Mit dem integrieren Schleppzeiger kann unser Kraftmessgerät den jeweiligen maximalen Messwert anzeigen.

Eine weitere Besonderheit vom Kraftmessgerät ist die 27 mm große Ringöffnung. Mit dieser Ringöffnung lassen sich mit dem Kraftmessgerät Messungen an zum Beispiel Führungsschienen, Wellen und auch Bolzen von zum Beispiel einer Hydraulikpresse durchführen. Mit dem einsetzbaren Stempeladapter lässt sich der Kraftmessgerät in Sekundenschnelle von einem Ringkraftmessgerät in ein Druckstempelkraftmessgerät umbauen. Somit ist der Kraftaufnehmer flexibel einsetzbar.

Überall wo Kräfte wirken, die gemessen werden sollen, findet ein Kraftmessgerät seine Anwendung. Optimal einsetzbar ist ein Kraftmessgerät daher bei Wartungsmessungen und Justierarbeiten von zum Beispiel industriellen Maschinen.

Merkmale

- Hydraulischer Kraftaufnehmer aus rostfreiem Stahl
- Messung statischer Druckkräfte
- Ringkraftaufnehmer und Druckstempel
- Schraubaufnahme für die axiale Montage
- integrierter Schleppzeiger
- Druckkraftanzeige in Newton [N]
- **inkl. ISO-Kalibrierzertifikat**

Spezifikation

Kraft 
Messbereich  0 ... 1000 N
Auflösung  20 N
Genauigkeit  ±1,95 % v.E.
  
Allgemeine technische Daten 
Einheit(en)  N
Display Typ  ohne Display
Sensor  Hydraulischer Kraftaufnehmer
Befestigung  Bohrungen 2 x M6
Abmessungen  Hydraulikschlauch Länge: 100 cm
Maße der Anzeige: Ø55 mm
Schutzklasse (Gerät)  IP52
Betriebsbedingungen  0 ... 50 °C , 20 ... 90 % r. F.
Lagerbedingungen  -10 ... 60 °C , 20 ... 90 % r. F.
Abmessungen ( L x B x H x D )  175 x 100 x 28 x 55 mm
Gewicht  1600 g

Lieferumfang

1 x Kraftmessgerät PCE-HFG 1K-ICA
1 x Instrumentenkoffer
1 x Einsatzplatte
1 x Bedienungsanleitung
1 x ISO-Kalibrierzertifikat