Zum Hauptinhalt springen

Klima-Messgerät PCE-FST-200-202-H

Klima-Messgerät PCE-FST-200-202-H

Best.Nr.: PCE-FST-200-202-H
EAN:
258,90 €
308,09 €
Preis zzgl. Versandkosten*
PCE-FST-200-202-H
Lieferzeit:1 - 2 Werktage
Ihre PCE Instruments Vorteile
Rabatte für Bildungseinrichtungen

Rabatte für Bildungseinrichtungen

Kostenloser technischer Support

Kostenloser technischer Support

15 Werktage Rückgaberecht

15 Werktage Rückgaberecht

Sicheres Bezahlen

Sicheres Bezahlen

Technischer Support

Beschreibung

Robustes Klima-Messgerät zur Festinstallation / pulverbeschichtet / 
wetterbeständig / analoge Ausgangssignale / mit Heizung

Das Klima-Messgerät misst die Windrichtung und gibt den Messwert analog weiter. Durch einfache Montage kann das Klima-Messgerät an eine Vielzahl von Messgeräten angeschlossen werden. Das Klima-Messgerät beginnt seine Messung bei kleinsten Windbewegungen und gibt diesen Messwert direkt weiter. Das Klima-Messgerät misst schon ab einer Windgeschwindigkeit von weniger als 0,8 Metern pro Sekunde. Das Klima-Messgerät wird in verschiedenen Versionen angeboten, die sich bei dem Ausgangssignal unterscheiden.

Das Klima-Messgerät ist mit einem 4 ... 20 mA und einem 0 ... 10 V DC Ausgang verfügbar.  Die Windsensoren können aufgrund ihres Aufbaus widrigen Wettereinflüssen trotzen. So besteht das Klima-Messgerät aus einer Metalllegierung, die vor Oxidation an der Luft schützt und somit Rost vorbeugt. Dichtungen an empfindlichen Stellen schützen das Klima-Messgerät vor dem Eindringen von Wasser und anderen Partikeln, wie beispielsweise Feinstaub.

Merkmale

- Metalllegierungen
- Schutz durch verschiedene Dichtungen
- einfache Montage
- mit Heizung
- direkte Messung der Windrichtung
- Messung ab geringen Windgeschwindigkeiten

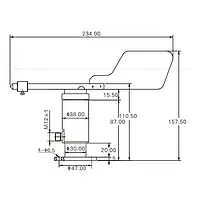
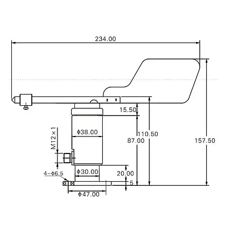
Spezifikation

Messbereich 0 ... 360 °
Messung ab ≤0,8 m/s
Auflösung 22,5 °
Messgenauigkeit ± 3 °
Betriebstemperaturbereich -20 ... +85 °C bei ≤95 % rel. Feuchte
Ausgangssignal 4 ... 20 mA (PCE-FST-200-202-H-I)
0 ... 10 V DC (PCE-FST-200-202-H-U)
elektrischer Widerstand 250 Ω
Betriebsspannung 12 ... 36 V DC
Heizleistung10 W bei 24 V DC
maximale Windgeschwindigkeit 70 m/s bei max. 30 Minuten
elektrischer Anschluss M12
Schutzklasse IP65

Lieferumfang

1 x Klima-Messgerät PCE-FST-200-202-H,
1 x Anschlussstecker M12,
1 x Bedienungsanleitung

Dokumente / Downloads