Zum Hauptinhalt springen

Célula de carga hidráulica

Célula de carga hidráulica PCE-HFG 25K-E100

Referencia: PCE-HFG 25K-E100
GTIN (EAN): 4250348731920
COP$ 5.099.250
COP$ 6.068.108
Precio sin IVA ni gastos de envío (COP$ 0 + IVA)
:
4250348731920
PCE-HFG 25K-E100
Plazo de entrega:1-3 Días (Salvo fin Stock)

Descripción

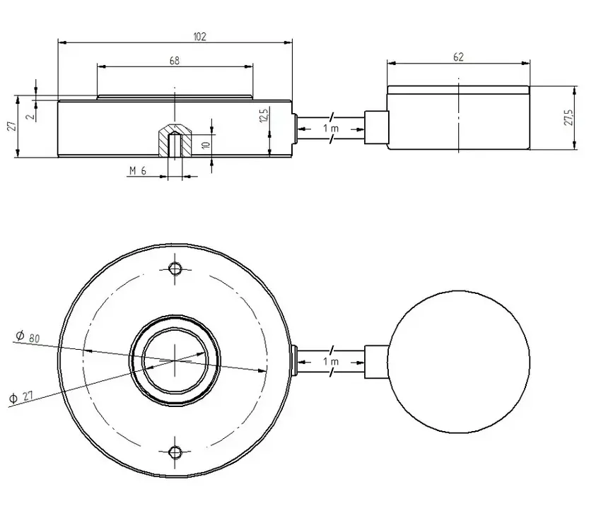
Célula de carga hidráulica analógica / Compacto para espacios reducidos / Con aguja de arrastre / Incluye roscas de fijación / Apertura central de 27 mm / Incl. certificado de calibración ISO

El principio de medición de una célula de carga hidráulica deja que la fuerza actúe sobre el pistón. La presión hidráulica generada se muestra en el indicador de la célula de carga hidráulica en una escala en Newton. La aguja de arrastre del indicador de la célula de carga hidráulica muestra el valor máximo alcanzado.

Una particularidad de la célula de carga hidráulica es la apertura central de 27 mm. Gracias a esta apertura en forma de anillo puede realizar mediciones de fuerza en carriles de guía, ejes y también pernos. La placa adaptadora permite convertir toda la base plana con una superficie de apoyo de 80 mm. Esto le permite usar la célula de carga hidráulica de forma flexible.

Una célula de carga hidráulica se puede usar dondequiera que actúen las fuerzas que deben ser medidas. Por lo tanto, una célula de carga hidráulica es ideal para trabajos de mantenimiento y trabajos de ajuste de maquinaria industrial.

Características

- Célula de carga de acero inoxidable
- Medición de fuerzas de presión estáticas
- Pistón con forma de anillo
- Rosca para montaje axial
- Incluye aguja de arrastre
- Indicación de fuerza en Newton [N]

Especificaciones

Rango de medición

0 … 25.000 N

Resolución

1000 N

Precisión

±1,95 % F.S.

Dimensiones del indicador

Ø55 mm

Rosca de sujeción

2 x M6

Longitud manguera indicador

100 cm

Temperatura ambiental

0 ... 50 ºC


Contenido del envío

1 x Célula de carga hidráulica
1 x Maletín de transporte
1 x Placa adaptadora
1 x Manual de instrucciones

Documentos / Descargas