Zum Hauptinhalt springen

Dinamómetro hidráulico incl. certificado de calibración ISO

Dinamómetro hidráulico incl. certificado de calibración ISO

Dinamómetro hidráulico PCE-HFG 1K-ICA incl. certificado de calibración ISO

Referencia: PCE-HFG 1K-ICA
GTIN (EAN): 4250348726032
941.318 CLP$
1.120.168 CLP$
Calibrado ISO
Precio sin IVA ni gastos de envío (7.000 CLP$ + IVA)
:
4250348726032
PCE-HFG 1K-ICA
Plazo de entrega:15-20 Días

Descripción

Dinamometro hidraulico analógico / Compacto para espacios reducidos /
Con aguja de arrastre / Incluye roscas de fijación / Apertura central de 27 mm / Incl. certificado de calibración ISO
El principio de medición de un dinamómetro hidráulico deja que la fuerza actúe sobre el pistón. La presión hidráulica generada se muestra en el indicador del dinamometro hidraulico en una escala en Newton. La aguja de arrastre del indicador del dinamómetro hidráulico muestra el valor máximo alcanzado.
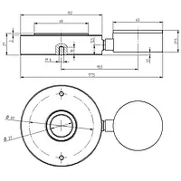
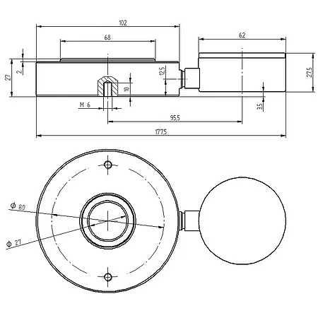
Una particularidad del dinamometro hidraulico es la apertura central de 27 mm. Gracias a esta apertura en forma de anillo puede realizar mediciones de fuerza en carriles de guía, ejes y también pernos. La placa adaptadora permite convertir toda la base plana con una superficie de apoyo de 80 mm. Esto le permite usar el dinamómetro hidráulico de forma flexible.
Un dinamometro hidraulico se puede usar dondequiera que actúen las fuerzas que deben ser medidas. Por lo tanto, un dinamómetro hidráulico es ideal para trabajos de mantenimiento y trabajos de ajuste de maquinaria industrial.

Características

- Célula de carga de acero inoxidable
- Medición de fuerzas de presión estáticas
- Pistón con forma de anillo
- Rosca para montaje axial
- Incluye aguja de arrastre
- Indicación de fuerza en Newton [N]
- Incl. certificado de calibración ISO

Especificaciones

Rango de medición0 … 1.000 N
Resolución20 N
Precisión±1,95 % del rango de medición
Dimensiones del indicador    Ø55 mm
Rosca de sujeción2 x M6
Temperatura ambiental0 ... 50 ºC

Contenido del envío

1 x Dinamómetro hidráulico PCE-HFG 1K-ICA
1 x Maletín de transporte
1 x Placa adaptadora
1 x Manual de instrucciones
1 x Certificado de calibración ISO

Documentos / Descargas