Zum Hauptinhalt springen

Medidor de fuerza hidráulico incl. certificado ISO

Medidor de fuerza hidráulico incl. certificado ISO

Medidor de fuerza hidráulico PCE-HFG 25K-ICA incl. certificado ISO

Referencia: PCE-HFG 25K-ICA
GTIN (EAN): 4250348726056
709,90 €
858,98 €
Calibrado ISO
Precio sin IVA ni gastos de envío (125,00 € + IVA)
:
4250348726056
PCE-HFG 25K-ICA
Plazo de entrega:15-20 Días

Descripción

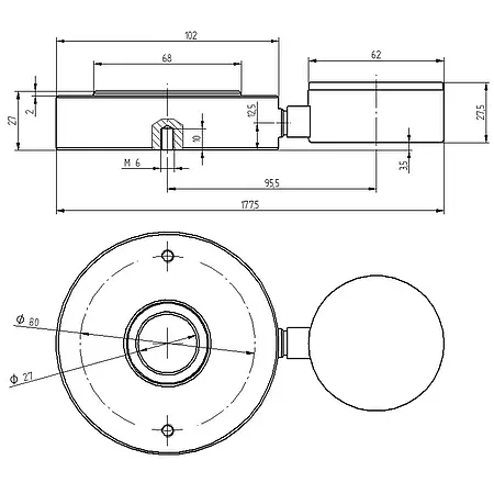
Medidor de fuerza hidraulico analógico / Compacto para espacios reducidos /
Con aguja de arrastre / Incluye roscas de fijación / Apertura central de 27 mm / Incl. certificado de calibración ISO
El principio de medición de un medidor de fuerza hidráulico deja que la fuerza actúe sobre el pistón. La presión hidráulica generada se muestra en el indicador del medidor de fuerza hidraulico en una escala en Newton. La aguja de arrastre del indicador del medidor de fuerza hidráulico muestra el valor máximo alcanzado.
Una particularidad del medidor de fuerza hidraulico es la apertura central de 27 mm. Gracias a esta apertura en forma de anillo puede realizar mediciones de fuerza en carriles de guía, ejes y también pernos. La placa adaptadora permite convertir toda la base plana con una superficie de apoyo de 80 mm. Esto le permite usar el medidor de fuerza hidráulico de forma flexible.
Un medidor de fuerza hidraulico se puede usar dondequiera que actúen las fuerzas que deben ser medidas. Por lo tanto, un medidor de fuerza hidráulico es ideal para trabajos de mantenimiento y trabajos de ajuste de maquinaria industrial.

Características

- Célula de carga de acero inoxidable
- Medición de fuerzas de presión estáticas
- Pistón con forma de anillo
- Rosca para montaje axial
- Incluye aguja de arrastre
- Indicación de fuerza en Newton [N]
- Incl. certificado de calibración ISO

Especificaciones

Rango de medición0 … 25.000 N
Resolución1000 N
Precisión±1,95 % F.S.
Dimensiones del indicador    Ø55 mm
Rosca de sujeción2 x M6
Temperatura ambiental0 ... 50 ºC

Contenido del envío

1 x Medidor de fuerza hidráulico PCE-HFG 25K-ICA
1 x Maletín de transporte 
1 x Placa adaptadora
1 x Manual de instrucciones
1 x Certificado de calibración ISO

Documentos / Descargas