Zum Hauptinhalt springen

Sensor de viento PCE-FST-200-201-U

Sensor de viento PCE-FST-200-201-U con salida de tensión

Referencia: PCE-FST-200-201-U
GTIN (EAN):
191,90 €
232,20 €
Precio sin IVA ni gastos de envío (8,00 € + IVA)
PCE-FST-200-201-U
Plazo de entrega:15-20 Días

Descripción

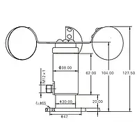
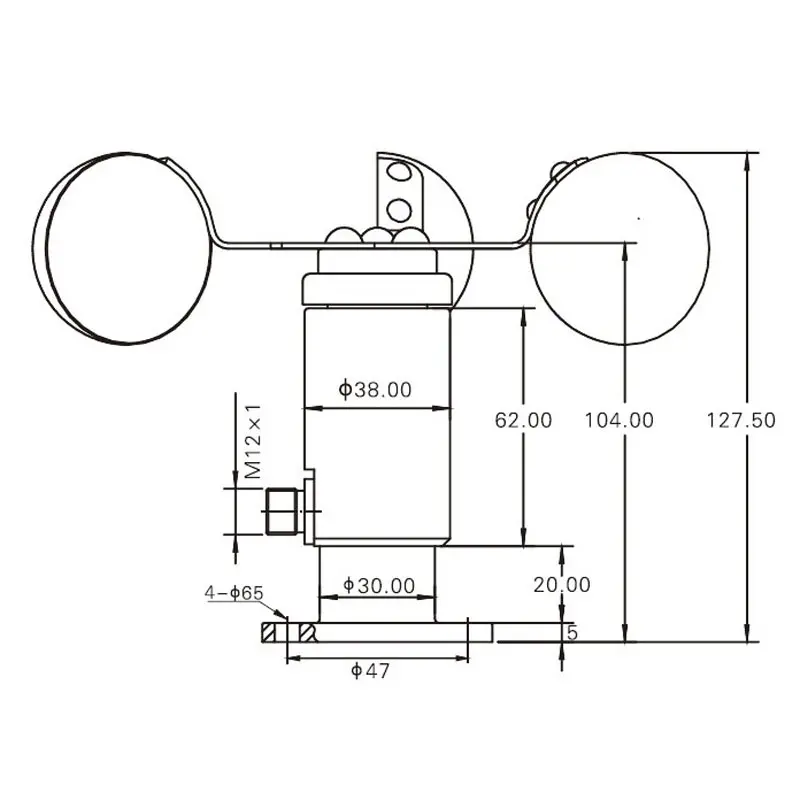
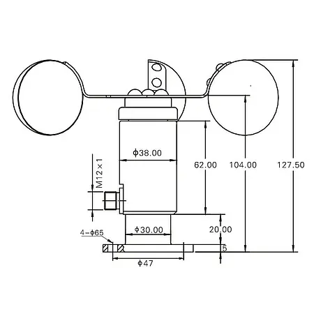
Sensor de viento robusto PCE-FST-200-201-U para instalación fija / revestimiento en polvo / resistente a la intemperie, debido a los diversos sellos
El sensor de velocidad del viento es compatible con y se puede conectar en una amplia variedad de equipos de medición disponibles. El sensor de velocidad del viento detecta incluso los movimientos del viento más pequeños y las mediciones se transmiten en forma analógica. El sensor está fabricado de una aleación de metal, que lo protege contra la oxidación del aire y por lo tanto evita la oxidación. Esto permite que el dispositivo se utilice en los entornos más difíciles. Las partes más sensibles están protegidas con juntas, para evitar la penetración del agua o del polvo fino. El sensor de velocidad del viento PCE-FST-200-201 es un anemómetro de cazoletas y es sensible a la velocidad del viento más baja, menos de 0,5 m/s. El sensor de la velocidad del viento está disponible en diferentes versiones con diferentes salidas. Este modelo de sensor está disponible con una salida de 4 ... 20 mA y con una salida de 0 ... 10 V DC.

Características

- Aleación metálica
- Una larga vida útil
- Protección por varios sellos
- Señal de salida analógica
- Fácil montaje
- Detecta las velocidades bajas del viento

Especificaciones

Especificaciones técnicas 
Señal de salida0 ... 10 V DC (PCE-FST-200-201-U)
Fuente de alimentación 12 ... 36 V DC
Rango de medición0,5 m/s ... 50 m/s
Medición desde ≤ 0,5 m/s
Precisión±0,5 m/s (<5 m/s)
± 3% de la escala completa (≥5 m / s)
Salida de calor10 W a 24 V DC
Temperatura de funcionamiento-20 ... 85 ° C en ≤95% H.r.
Velocidad máx. del viento70 m / s en el máximo 30 minutos
Conexión de alimentaciónM12
Tipo de protecciónIP65
  

Contenido del envío

1 x Sensor de velocidad del viento PCE-FST-200-201
1 x Cable de 3 m con conector M12
1 x Manual de instrucciones

Documentos / Descargas