£ 102.00
						
					
					
				 
				 
		 
		| Output | 4 … 20 mA | 
| Measurement range | 0 … 50 m/s | 
| Accuracy | ± 0.5  m/s or 3 % or measuring range | 
| Load | max. 80 m/s short-term | 
| Load | 500 Ohm at 15 V operating voltage | 
| Power supply | 9 … 30 V AC / DC max. 50 mA | 
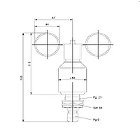
| Assembly | on mast tube | 
| Heating | max. 24 V DC/AC, max. 20 W | 
| Ambient temperature | -25 … +60 °C / -13 ... 140 °F (in ice-free conditions) | 
| Cable | 12 m / 39 ft; LiYY 6 x 0.25 mm² | 
| Protection class | IP54 | 
| Weight | approx. 500g / 17. 6 oz | 
| Approval | UL |