PCE-C-R13LFC-serie 5-100 kg

Lastvægtenhed PCE-C-R13LFC 100-H7

Varenr.: PCE-C-R13LFC 100-H7
EAN:
1.911,00 DKK
2.388,75 DKK
Prisen er ekskl. fragt, pris fra 75,00 DKK ekskl. moms, (93,75 DKK inkl. moms).
PCE-C-R13LFC 100-H7
Leveringstid:2 Wochen
0,5 % F.S
Druck
Rundform
5 - 100kg

Beskrivelse

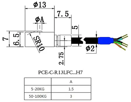
En kraftsensor i rustfrit stål med en måleusikkerhed på kun 0,5 %. Med dimensionerne Ø 13 mm og en højde på 7 mm er kraftsensoren meget alsidig.

Specifikationer

Nominel belastning/kraft FS 100 kg
1000 N

Grænse belastning/kraft 120%
Brækningsbelastning/kraft 150%
Nominel værdi 1,0 - 1,5 mV/V
Anvendeligt område for forsyningsspændingen 2,5 V – 5 V
Maksimal forsyningsspænding5 V
Afvigelser af nulsignalet ± 2 % FS
Linearitetsfejl0,5 % FS
Omvendt spænding (Hysterese)0,5% FS
Gentagelighed0,5% FS
Belastningskrybning (30 min)0,1 % FS
Indgangsmodstand350 ± 10 Ω
Udgangsmodstand350 ± 3 Ω
Isolationsmodstand≥5000 MΩ / 100 VDC
Nominelt område for omgivelsestemperatur-10 … 60 °C
Brug af temperaturområde-20 … 80 °C
Temperaturkoefficient af den karakteristiske værdi  0,1% FS / 10 °C
Temperaturkoefficient for nulpunktet0,1% FS / 10 °C
SensorkabelØ 2 x 3 m / (åbne ender)
KabeltildelingEXC+ = rød
EXC- = sort
SIG+ = grøn
SIG- =  hvid
GND = gul
Materiale / målelegemerustfrit stål
BeskyttelsesklasseIP65


Leveringsomfang


1 x vægtenhed PCE-C-R13LFC 100-H7

Downloads