Zum Hauptinhalt springen

Freilasherdschleung til PCE-IR 30-serien

PCE-IR 30-FBV Udrensningstilbehør

Varenr.: PCE-IR 30-FBV
EAN: 4250348702081
80,00 DKK
100,00 DKK
Prisen er ekskl. fragt, pris fra 0,00 DKK ekskl. moms, (0,00 DKK inkl. moms).
:
4250348702081
PCE-IR 30-FBV
Leveringstid:1 - 2 Hverdage

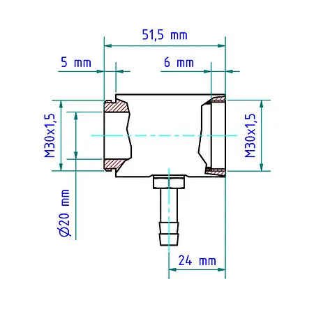
Beskrivelse

Udrensningstilbehøret bruges til at undgå kontaminering af pyrometerets optik eller beskyttelsesskærmen. Cirkulær luftstrøm opnår en optimal skylleeffekt med minimalt luftforbrug.