Zum Hauptinhalt springen

Power messtechnik Strengthsor PCE-C-R12LFC-serie 5-50 kg

Kraftmåling kraftsensor PCE-C-R12LFC serie 5-50 kg

Varenr.: PCE-C-R12LFC-H4
EAN:
225,90 DKK
282,38 DKK
Prisen er ekskl. fragt, pris fra 75,00 DKK ekskl. moms, (93,75 DKK inkl. moms).
PCE-C-R12LFC-H4
Leveringstid:2 Wochen

Beskrivelse

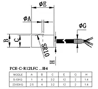
Den flade miniature kraftsensor er kun 4 mm høj. Med en diameter på Ø 12 mm er denne miniature kraftsensor meget kompakt. Denne kraftsensor opnår en måleusikkerhed på kun 0,5 %.

Specifikationer

Nominel belastning / kraft FS 5 / 10 / 20 / 30 / 50 kg
50 / 100 / 200 / 300 / 500 N
!!! Nominel belastning/kraft kan vælges !!!
Grænse belastning/kraft 120 %
Brækningsbelastning/kraft 150 %
Nominel værdi 1,0 - 1,5 mV/V
Nyttig rækkevidde af forsyningsspændingen2,5 V - 5 V
Maksimal forsyningsspænding5 V
Afvigelse af nulsignalet± 2 % FS
Linearitetsafvigelse0,5% FS
Vendspænding (hysterese)0,5% FS
Gentagelighed0,5 % FS
Belastningskrybning (30 min)0,1 % FS
Indgangsmodstand350 ± 10 Ω
Udgangsmodstand350 ± 3 Ω
Isolationsmodstand≥5000 MΩ / 100 VDC
Nominelt område for omgivelsestemperatur-10 … 60 °C
Anvendelsestemperaturområde-20 … 80 °C
Temperaturkoefficient for den karakteristiske værdi0,1%FS / 1 0 °C
Nulpunktets temperaturkoefficient0,1 % FS / 10 °C
SensorkabelØ 2 x 3 m / (åbne ender)
KabeltildelingEXC+ = rød
EXC- = sort
SIG+ = grøn
SIG- =  hvid
GND = gul
Materiale / målelegemerustfrit stål
BeskyttelsesklasseIP65
!!! Nominel belastning/kraft kan vælges !!!