Zum Hauptinhalt springen

Force Gauge PCE-HFG 25K-ICA Incl. ISO Calibration Certificate

Force Gauge PCE-HFG 25K-ICA Incl. ISO Calibration Certificate

Force Gauge PCE-HFG 25K-ICA Incl. ISO Calibration Certificate

Order no.: PCE-HFG 25K-ICA
GTIN (EAN):
US$ 1,065.00
ISO Calibration
ex. Sales Tax, ex. delivery costs
PCE-HFG 25K-ICA
Available in:10 - 14 days
analog
Internal
No
No
Your PCE Instruments Benefits
Bilingual Technical Support

Bilingual Technical Support (EN / ES)

Special Promotions

Special Promotions

Public Service, Military and First Responder Discount

Public Service, Military and First Responder Discount

30 Day Return Policy

30 Day Return Policy

2 Year Warranty

2 Year Warranty

Description

Force Gauge PCE-HFG 25K-ICA Incl. ISO Calibration Certificate
Force gauge with analog scale / Compact for small installation spaces /

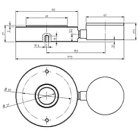
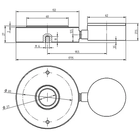
Drag pointer / With mounting holes / 27 mm ring opening


A force measuring device is based on the principle that the force acting on the pressure adapter is measured hydraulically. The hydraulic pressure generated is displayed by the force measuring device on a scale in Newtons. With the integrated drag pointer, our force measuring device can display the respective maximum measured value.

Another special feature of the force measuring device is the 27 mm ring opening. With this ring opening, measurements can be carried out with the force measuring device on, for example, guide rails, shafts and also bolts of, for example, a hydraulic press. With the insertable punch adapter, the force measuring device can be converted from a ring force measuring device into a pressure punch force measuring device in a matter of seconds. The force transducer can therefore be used flexibly.

A force measuring device is used wherever forces act that are to be measured. A force measuring device is therefore ideally suited for maintenance measurements and adjustment work on, for example, industrial machines.

 


Highlights

- Stainless steel force gauge
- Measurement of static compressive forces
- Ring force transducer and pressure adapter
- Screw mount for axial assembly
- Integrated drag pointer
- Pressure force display in Newton [N]
- Incl. ISO calibration certificate

Specification

Measuring range0 … 25,000 N / 5,620 lbs
Resolution
1000 N / 224.8 lbs
Measuring accuracy ±1.95% f. R.
Dimensions of the display          Ø 55 mm
Mounting holes 2 x M6
Ambient conditions0 … 50°C / 32 ... 122°F

Delivery Scope

1 x Force Gauge PCE-HFG 25K
1 x Instrument case
1 x Compression adapter
1 x Instruction manual
1 x ISO calibration certificate