Zum Hauptinhalt springen

Kraftmesstechnik Kraftsensor PCE-C-R19LFC Serie 5-500 kg

Czujnik siły do pomiaru siły PCE-C-R19LFC seria 5-500 kg

Numer zamówienia: PCE-C-R19LFC
GTIN (EAN):
936,00 zł
1.151,28 zł
Cena netto (nie zawiera kosztów dostawy)
PCE-C-R19LFC
Czas dostawy:2 tygonie

Opis

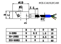
Czujnik siły ze stali nierdzewnej z niepewnością pomiaru wynoszącą zaledwie 0,5%. Dzięki wymiarom Ø 19 mm i wysokości 9 mm czujnik siły jest bardzo wszechstronny.

Specyfikacja

Nominalne obciążenie / siła FS 5 / 10 / 20 / 50 / 100 / 200 / 500 kg
50 / 100 / 200 / 500 / 1000 / 2000 / 5000 N
!!! Nominalne obciążenie / siła do wyboru !!!
Ograniczenie obciążenia / siły 120%
Obciążenie niszczące / siła 150%
Wartość nominalna 1,0 - 1,5 mV/V
Przydatny zakres napięcia zasilania2,5 V - 5 V
Maksymalne napięcie zasilania5 V
Odchylenie sygnału zerowego± 2% FS
Odchylenie liniowości0,5 … 1,0% FS
Napięcie zwrotne (histereza)0,5% FS
Powtarzalność0,5% FS
Pełzanie pod obciążeniem (30 min)0,1% FS
Rezystancja wejściowa350 ± 10 Ω
Rezystancja wyjściowa350 ± 3 Ω
Rezystancja izolacji≥5000 MΩ / 100 VDC
Nominalny zakres temperatur otoczenia-10 … 60 °C
Zakres temperatury roboczej-20 … 80 °C
Współczynnik temperaturowy wartości charakterystycznej0,1% FS / 10 °C
Współczynnik temperaturowy punktu zerowego0,1 % FS / 10 °C
Przewód czujnikaŘ 2 x 3 m / (otwarte końce)
Przyporządkowanie przewodówEXC+ = czerwony
nEXC- = czarny
SIG+ = zielony
SIG- =  biały
GND = żółty
Materiał / korpus pomiarowystal nierdzewna
Stopień ochronyIP65
!!! Nominalne obciążenie / siła do wyboru !!!

Dokumenty / Pliki