Zum Hauptinhalt springen

Kraftsensor PCE-C-R19LFC Serie 5-500 kg

Czujnik siły PCE-C-R19LFC 100-H9

Numer zamówienia: PCE-C-R19LFC 100-H9
GTIN (EAN):
1.149,00 zł
1.413,27 zł
Cena netto (nie zawiera kosztów dostawy)
PCE-C-R19LFC 100-H9
Czas dostawy:2 tygonie
0,5 … 1,0 % F.S.
Druck
Rundform
5 - 500kg

Opis

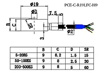
Czujnik siły ze stali nierdzewnej z niepewnością pomiaru wynoszącą zaledwie 0,5%. Dzięki wymiarom Ø 13 mm i wysokości 7 mm czujnik siły jest bardzo wszechstronny.

Specyfikacja

Nominalne obciążenie / siła FS 100 kg
1000 N

Obciążenie / siła graniczna 120%
Obciążenie / siła niszcząca 150%
Wartość znamionowa 1,0 - 1,5 mV/V
Użyteczny zakres napięcia zasilania 2,5 V – 5 V
Maksymalne napięcie zasilania5 V
Odchylenia sygnału zerowego ± 2% FS
Błąd liniowości0,5 … 1,0% FS
Napięcie zwrotne (histereza)0,5% FS
Powtarzalność0,5% FS
Pełzanie pod obciążeniem (30 min)0,1% FS
Rezystancja wejściowa350 ± 10 Ω
Rezystancja wyjściowa350 ± 3 Ω
Rezystancja izolacji ≥5000 MΩ / 100 VDC
Nominalny zakres temperatur otoczenia-10 … 60 °C
Zakres temperatur pracy-20 … 80 °C
Temperatura współczynnik wartości charakterystycznej  0,1% FS / 10 °C
Współczynnik temperaturowy punktu zerowego0,1% FS / 10 °C
Przewód czujnikaŘ 2 x 3 m / (otwarte końce)
Przyporządkowanie przewodówEXC+ = czerwony
EXC- = czarny
SIG+ = zielony
SIG- =  biały
GND = żółty
Materiał / korpus pomiarowystal nierdzewna
Stopień ochronyIP65


Zakres dostawy


1 x czujnik siły PCE-C-R19LFC 100-H9

Dokumenty / Pliki