Zum Hauptinhalt springen

Hydraulische Kraftaufnehmer PCE-HFG 10K-ICA inkl. ISO Kalibrierzertifikat

Przetwornik siły hydraulicznej PCE-HFG 10K-ICA wraz z certyfikatem kalibracji ISO

Numer zamówienia: PCE-HFG 10K-ICA
GTIN (EAN): 4250348726025
2.946,00 zł
3.623,58 zł
Cena netto (nie zawiera kosztów dostawy)
:
4250348726025
PCE-HFG 10K-ICA
Czas dostawy:5-7 dni
0 … 10000 N
200 N
Kalibrierfähig

Opis

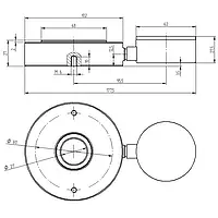
Miernik siły hydraulicznej ze skalą analogową / kompaktowy do małych przestrzeni / 
Wskaźnik oporu / z otworami montażowymi / otwór pierścienia 27 mm

Zasilanie hydrauliczne -Urządzenie pomiarowe opiera się na zasadzie, że siła działająca na tłok jest mierzona hydraulicznie. Wytworzone ciśnienie hydrauliczne jest wyświetlane na skali w niutonach przez miernik siły hydraulicznej. Dzięki zintegrowanemu wskaźnikowi oporu nasz miernik siły hydraulicznej może wyświetlać odpowiednią maksymalną zmierzoną wartość.

Kolejną szczególną cechą siłomierza hydraulicznego jest 27-milimetrowe otwarcie pierścienia. Dzięki takiemu otwarciu pierścienia hydrauliczne urządzenie do pomiaru siły może być wykorzystywane do wykonywania pomiarów na przykład na szynach prowadzących, wałach i sworzniach prasy hydraulicznej. Dzięki wkładanemu adapterowi tłoka hydrauliczny miernik siły można w ciągu kilku sekund przekształcić z siłomierza pierścieniowego w miernik siły nacisku tłoka. Dzięki temu urządzenie do pomiaru siły hydraulicznej może być używane elastycznie.

Wszędzie Hydrauliczne urządzenie do pomiaru siły jest używane, gdy działają siły, które mają być zmierzone. Dzięki temu siłomierz hydrauliczny można optymalnie wykorzystać np. do pomiarów konserwacyjnych i prac regulacyjnych w maszynach przemysłowych.

Najważniejsze cechy

- Czujnik tensometryczny ze stali nierdzewnej
- Statyczny pomiar siły ściskania
- Pierścieniowy czujnik tensometryczny i tłok
- Mocowanie śrubowe do montażu osiowego
- Zintegrowany wskaźnik oporu 
- Wyświetlanie siły nacisku w Newtonach [N]

Specyfikacja

   
Zakres pomiarowy 0 … 10 000 N
Rozdzielczość 200 N
Dokładność pomiaru ± 1,85% zakresu pomiarowego
Wymiary wyświetlacza    Ř55 mm
Otwory montażowe 2 x M6
Warunki otoczenia      0 … 50 °C
   

Zakres dostawy

1 x przetwornik siły hydraulicznej PCE-HFG 10K-ICA
1 x walizka na instrumenty
1 x płytka wkładana
1 x certyfikat kalibracji ISO
1 x instrukcja obsługi 

Dokumenty / Pliki