Zum Hauptinhalt springen

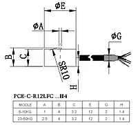
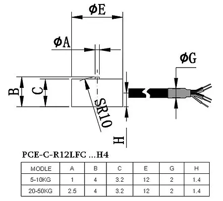
Kraftsensor PCE-C-R12LFC Serie 5-50 kg

Załaduj jednostkę wagową PCE-C-R12LFC 5-H4

Numer zamówienia: PCE-C-R12LFC 5-H4
GTIN (EAN):
1.228,00 zł
1.510,44 zł
Cena netto (nie zawiera kosztów dostawy)
PCE-C-R12LFC 5-H4
Czas dostawy:2 tygonie
0,5 % F.S.
Druck
Rundform
5 - 50kg

Opis

Płaski miniaturowy czujnik siły ma tylko 4 mm wysokości. Ten miniaturowy czujnik siły o średnicy 12 mm jest bardzo kompaktowy. Ten czujnik siły osiąga niepewność pomiaru na poziomie zaledwie 0,5%.

Specyfikacja

Nominalne obciążenie / siła FS 5 kg
50 N

Obciążenie / siła graniczna 120%
Obciążenie / siła niszcząca 150%
Charakterystyka znamionowa 1,0 - 1,5 mV/V
Użyteczny zakres napięcia zasilania2,5 V - 5 V
Maksymalne napięcie zasilania5 V
Odchylenia sygnał zerowy± 2% FS
Błąd liniowości0,5% FS
Napięcie wsteczne (histereza)0,5% FS
Powtarzalność0,5% FS
Pełzanie pod obciążeniem (30 min)0,1% FS
Rezystancja wejściowa350 ± 10 Ω
Rezystancja wyjściowa350 ± 3 Ω
Rezystancja izolacji≥5000 MΩ / 100 VDC
Nominalny zakres temperatur otoczenia-10 … 60 °C
Zakres temperatur stosowania-20 … 80 °C
Współczynnik temperaturowy ent wartości charakterystycznej 0,1% FS / 10 °C
Współczynnik temperaturowy punktu zerowego0,1% FS / 10 °C
Przewód czujnikaŘ 2 x 3 m / (otwarte końce)
Przyporządkowanie przewodówEXC+ = czerwony
EXC- = czarny
SIG+ = zielony
SIG- =  biały
GND = żółty
Materiał / korpus pomiarowystal nierdzewna
Stopień ochronyIP65


Zakres dostawy


1 x waga ładunkowa PCE-C-R12LFC 5-H4

Dokumenty / Pliki