Zum Hauptinhalt springen

Flügelradanemometer PCE-FST-200-202-H

Anemometr wiatraczkowy PCE-FST-200-202-H

Numer zamówienia: PCE-FST-200-202-H
GTIN (EAN):
1.242,72 zł
1.528,55 zł
Cena netto (nie zawiera kosztów dostawy)
PCE-FST-200-202-H
Czas dostawy:1-2 dni

Opis

Solidny anemometr wiatraczkowy do instalacji na stałe / malowany proszkowo / 
odporne na warunki atmosferyczne / analogowe sygnały wyjściowe / z ogrzewaniem

Anemometr wiatraczkowy mierzy kierunek wiatru iw analogiczny sposób przekazuje zmierzoną wartość. Czujnik kierunku wiatru  być podłączony do różnych urządzeń pomiarowych. Anemometr wiatraczkowy rozpoczyna pomiar przy najmniejszych ruchach wiatru i przekazuje tę zmierzoną wartość bezpośrednio do przodu. Anemometr wiatraczkowy mierzy prędkość wiatru poniżej 0,8 metra na sekundę. Czujnik kierunku wiatru jest dostępny w różnych wersjach różniących się sygnałem wyjściowym.

Anemometr wiatraczkowy jest dostępny z wyjściem 4 ... 20 mA i 0 ... 10 V DC.  Dzięki swojej konstrukcji czujniki wiatru są odporne na niekorzystne warunki atmosferyczne. Anemometr wiatraczkowy wykonany jest ze stopu metalu, który chroni przed utlenianiem w powietrzu, a tym samym zapobiega rdzewieniu. Uszczelki we wrażliwych punktach chronią anemometr wiatraczkowy przed wnikaniem wody i innych cząstek, takich jak drobny pył.

Najważniejsze cechy

- stopy metali
- ochrona za pomocą różnych uszczelek
- łatwy montaż
- z ogrzewaniem
- Bezpośredni pomiar kierunku wiatru
- Pomiar przy niskiej prędkości wiatru

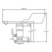
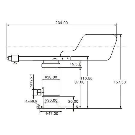
Specyfikacja

Zakres pomiaru 0 ... 360°
Pomiar od ≤0,8 m/s
Rozdzielczość 22,5°
Dokładność pomiaru ± 3°
Zakres temperatury roboczej -20 ... + 85°C przy ≤95% wzgl. Wilgotność
Sygnał wyjściowy 4 ... 20 mA (PCE-FST-200-202 -HI)
0 ... 10 V DC (PCE-FST-200-202-HU)
oporność elektryczna 250 Ω
Napięcie robocze 12 ... 36 V DC
Ogrzewanie wydajność 10 W przy 24 V DC
maksymalna prędkość wiatru   70 m/s przy maks. 30 minutach
Podłączenie elektryczne M12
Klasa ochrony nIP65

Zakres dostawy

1 x anemometr wiatraczkowy PCE-FST-200-202-H
1 x wtyczka złącza M12
1 x instrukcja obsługi

Dokumenty / Pliki