Miernik siły ze skalą analogową / kompaktowy do małych przestrzeni /
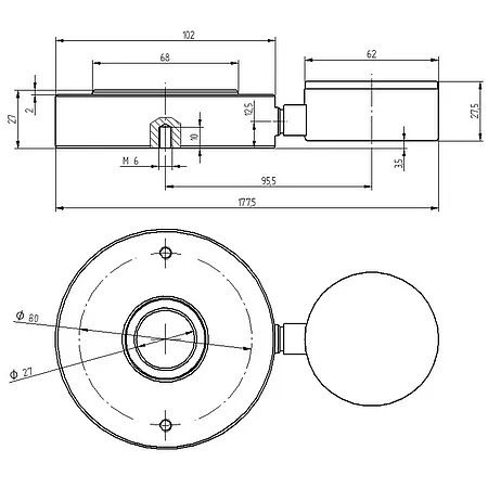
Wskaźnik oporu / z otworami montażowymi / otwór pierścienia 27 mm
Oparty na dynamometrze na zasadzie, że siła działająca na tłok jest mierzona hydraulicznie. Wytworzone ciśnienie hydrauliczne jest wyświetlane przez siłomierz na skali w Newtonach. Dzięki zintegrowanemu wskaźnikowi oporu nasz miernik siły może wyświetlać odpowiednią maksymalną zmierzoną wartość.
Kolejną szczególną cechą dynamometru jest otwór pierścienia o średnicy 27 mm. Dzięki takiemu otwarciu pierścienia dynamometr może być używany do przeprowadzania pomiarów na przykład na prowadnicach, wałach i śrubach z prasy hydraulicznej. Dzięki wkładanemu adapterowi tłoka dynamometr można przekształcić z dynamometru pierścieniowego w dynamometr kompresyjny w ciągu kilku sekund. Dzięki temu miernik siły może być używany elastycznie.
Wszędzie tam, gdzie występują siły w pracy, do pomiaru, używa się dynamometru. Dzięki temu siłomierz hydrauliczny można optymalnie wykorzystać np. do pomiarów konserwacyjnych i prac regulacyjnych w maszynach przemysłowych.