Zum Hauptinhalt springen
Capsula di spurgo aria

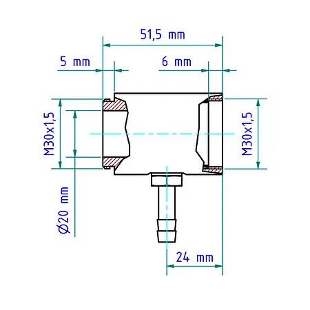
Capsula spurgo aria PCE-IR 30-FBV

Codice articolo: PCE-IR 30-FBV
GTIN (EAN):
80,00 €
97,60 €
Prezzo netto senza spese di spedzione e senza I.V.A.; spedizione a partire da 8,00 €) + I.V.A. (con Bonifico bancario)
PCE-IR 30-FBV
Tempi di consegna:1 Settimana

Descrizione

Lo spurgo dell'aria viene utilizzato per evitare la contaminazione dell'ottica del pirometro o della placca di protezione. Grazie ad un condotto di ventilazione circolare è possibile ottenere uno spurgo ottimale utilizzando pochissima aria.