Zum Hauptinhalt springen

Misuratore di forza idraulico PCE-HFG 10K-ICA

Codice articolo: PCE-HFG 10K-ICA
GTIN (EAN): 4250348726025
709,90 €
866,08 €
Certificazione ISO
Prezzo netto senza spese di spedzione e senza I.V.A.; spedizione a partire da 8,00 €) + I.V.A. (con Bonifico bancario)
:
4250348726025
PCE-HFG 10K-ICA
Tempi di consegna:10-15 giorni

Descrizione

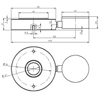
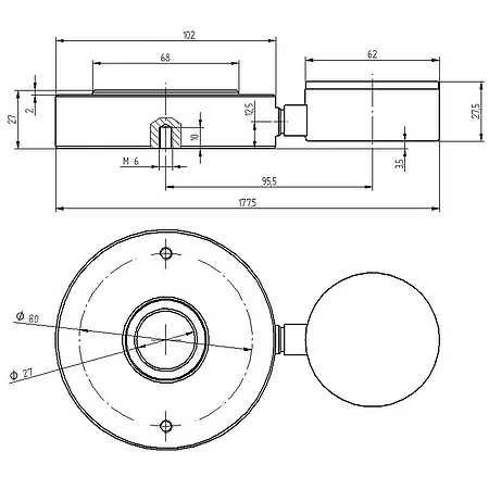
Misuratore di forza idraulico analogico / Compatto per spazi ridotti / Con punta di trascinamento / Viti di fissaggio incluse / Apertura centrale da 27 mm / Rapporto di taratura ISO inclusa
Il principio di misura di un misuratore di forza idraulico è la forza agisca sul pistone. La pressione idraulica generata viene visualizzata sull'indicatore del misuratore di forza idraulico su una scala in Newton. La punta di trascinamento del misuratore di forza idraulico mostra il valore massimo raggiunto.

Una particolarità del misuratore di forza idraulico consiste nell'apertura centrale da 27 mm. Grazie a questa apertura ad anello è possibile eseguire misure della forza su guide, alberi e anche bulloni. La piastra di adattamento consente di convertire l'intera base piatta con una superficie di supporto da 80 mm. Ciò consente di utilizzare il misuratore di forza idraulico in modo flessibile.

Un misuratore di forza idraulico può essere utilizzato ovunque agiscano le forze da misurare. Pertanto, un misuratore di forza idraulico è l'ideale per i lavori di manutenzione e regolazione su macchinari industriali.

Caratteristiche

- Rapporto di taratura ISO inclusa
- Cella di carico in acciaio inox
- Misura delle forze di pressione statiche
- Pistone ad anello
- Filettatura per montaggio assiale
- Punta di trascinamento inclusa
- Indicazione della forza in Newton [N]

Specifiche tecniche

Range di misura 0 ... 10.000 N
Risoluzione 200 N
Precisione ±1,95% F.S.
Dimensioni dell'indicatore    Ø55 mm
Vite di fissaggio 2 x M6
Temperatura operativa 0 ... 50 °C

Contenuto

1 x Misuratore di forza idraulico PCE-HFG 10K-ICA
1 x Valigetta per trasporto
1 x Piastra
1 x Rapporto di taratura ISO (Inglese/Tedesco)
Istruzioni per l'uso (Disponibili in Inglese, Italiano in traduzione)

Documenti / Downloads