Zum Hauptinhalt springen

Sensore di forza PCE-C-R12LFC 5-H4

Codice articolo: PCE-C-R12LFC 5-H4
GTIN (EAN):
295,90 €
361,00 €
Prezzo netto senza spese di spedzione e senza I.V.A.; spedizione a partire da 8,00 €) + I.V.A. (con Bonifico bancario)
PCE-C-R12LFC 5-H4
Tempi di consegna:Disponibile su ordinazione

Descrizione

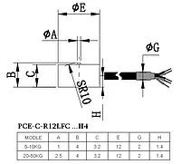
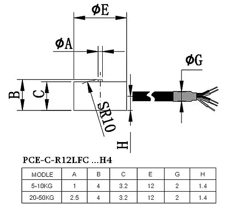
Il sensore di forza PCE-CR12LFC è un dispositivo compatto con un'altezza di soli 4 mm e diametro di 12 mm. Il sensore di forza possiede un'incertezza di solo 0,5%.

Specifiche tecniche

Carico nominale (F.S = fondo scala) 5 kg / 50 N
Carico limite 120%
Carico di rottura 150%
Costante nominale 1,0 – 1,5 mV/V
Range di applicazione della tensione 2,5 V – 5 V
Alimentazione massima 5V
Deviazione del segnale zero ±2% F.S.
Deviazione della linearità 0,5% F.S.
Reversibilità 0,5% F.S.
Riproducibilità 0,5% F.S.
Carica creep (30 min) 0,1% F.S.
Resistenza di ingresso 350 ±10 Ω
Resistenza di uscita 350 ±3 Ω
Resistenza di isolamento ≥5000 MΩ / 100V DC
Range nominale della temperatura ambientale    -10 ... +60 °C
Range della temperatura di servizio -20 ... +80 °C
Coefficiente termico del valore nominale 0,1% F.S. / 10 °C
Coefficiente termico del segnale zero 0,1% F.S. / 10 °C
Cavo del sensore Ø 2 x 3 m / (punte aperte)
Segnale assegnato ad ogni cavo
EXC+
EXC-
SIG+
SIG-
GND
=
=
=
=
=
rosso
nero
verde
bianco
giallo
Materiale / Corpo di misura Acciaio inox
Classe di protezione IP 65

Contenuto

1 x Sensore di forza PCE-C-R12LFC 5-H4

Documenti / Downloads