Zum Hauptinhalt springen

Universele kleminrichting PCE-DJJ031

PCE-SJJ031 Universele kleminrichting

Best.nr.: PCE-SJJ031
EAN:
836,90 €
1.012,65 €
Prijzen zijn netto, exclusief BTW en 12,95 € netto verzendkosten
PCE-SJJ031
Levertijd:1-2 werkdagen

Beschrijving

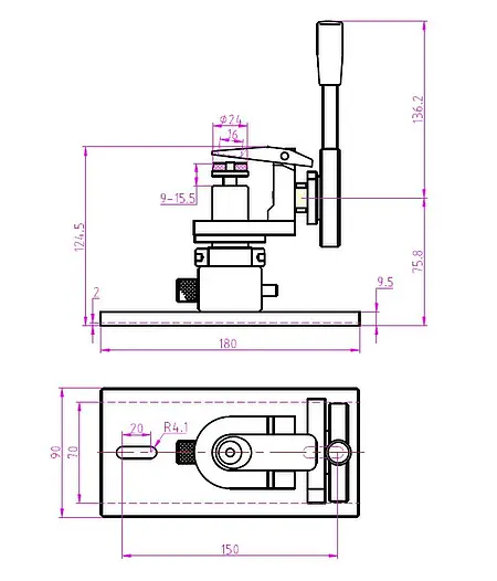
Universele kleminrichting voor trekproeven van rubber, plaatwerk, balen, enz.

Kenmerken

- maximale capaciteit: 5 kN
- Opening max: 4 mm 
- Schroefdraadaansluiting: M10


Leveromvang

1 x Universele kleminrichting