Zum Hauptinhalt springen

Rüzgar Ölçüm Cihazı PCE-FST-200-201-I

Rüzgar Ölçüm Cihazı PCE-FST-200-201-I

Sip.no.: PCE-FST-200-201-I
EAN: 4250348716392
11.713,00 TL
14.055,60 TL
Fiyat artı kargo* ücreti
:
4250348716392
PCE-FST-200-201-I
Teslimat süresi:1-2 iş günü

Ürün Bilgisi

Rüzgar Ölçüm Cihazı PCE-FST-200-201-I

Sabit kurulum / Sağlam rüzgar sensörü / Toz kaplama / Çeşitli contalarla hava koşullarına dayanıklı

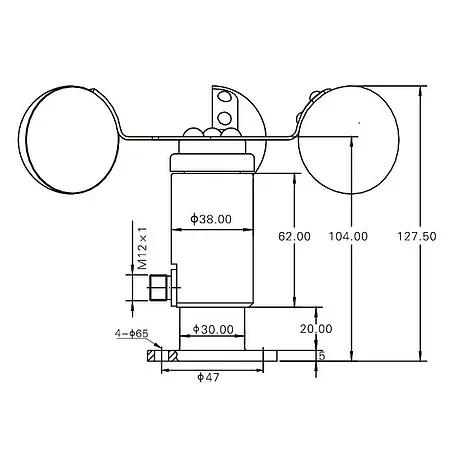
Rüzgar ölçüm cihazı PCE-FST-200-201-I, basit montajı ile çeşitli ölçüm cihazlarına bağlanabilir. Rüzgar ölçüm cihazı, en küçük hava hareketini bile algılar ve ölçüm sonucunu analog olarak iletir. Cihaz, oksidasyona karşı koruyan ve böylece paslanmayı önleyen metal alaşımdan üretilmiştir. Bu da cihazın en zorlu ortamlarda bile kullanılmasını sağlar. Hassas parçalarda bulunan contalar, cihazı sudan ve ince toz gibi diğer parçacıklardan korur.

Rüzgar ölçüm cihazı PCE-FST-200-201-I, en küçük rüzgar hızlarını bile algılayabilen bir kupalı rüzgar ölçüm cihazı'dır ve saniyede 0.5 metreden daha az rüzgar hızına duyarlıdır. Cihaz, farklı çıkışları bulunan farklı versiyonlarda mevcuttur. Rüzgar ölçüm cihazı, 4 … 20 mA ve 0 … 10V DC çıkışı ile kullanılabilir.


Özellikler

- Metal alaşım
- Çeşitli contalarla koruma
- Basit montaj
- Uzun ömürlü
- Analog sinyal çıkışı
- Düşük rüzgar hızlarından ölçüm

Teknik Bilgiler

Çıkış Sinyali
4 ... 20 mA
Çalışma Voltajı12 ... 36 V DC
Ölçüm Aralığı0.5 m/s ... 50 m/s
Ölçüm≤ 0.5 m/s
Hassasiyet

±0.5 m/s (<5 m/s)
Ölçüm aralığının ± %3’ü (≥5 m/s)

Çalışma Sıcaklık Aralığı-20 ... +85°C, ≤95 % bağıl nem
Maksimum Rüzgar HızıMaksimum 30 dakikada 70 m/s
Elektrik BağlantısıM12
KorumaIP65












Teslimat İçeriği

1 x Rüzgar Ölçüm Cihazı PCE-FST-200-201-I
1 x Kablo (3 metre, M12 konnektörlü)
1 x Kullanım Kılavuzu