Zum Hauptinhalt springen

Newton Ölçer PCE-HFG 1K-ICA ISO Kalibrasyon Sertifikası dahil

Newton Ölçer PCE-HFG 1K-ICA ISO Kalibrasyon Sertifikası dahil

Sip.no.: PCE-HFG 1K-ICA
EAN: 4250348726032
34.471,00 TL
41.365,20 TL
ISO kalibrasyonu
Fiyat artı kargo* ücreti
:
4250348726032
PCE-HFG 1K-ICA
Teslimat süresi:5-7 iş günü

Ürün Bilgisi

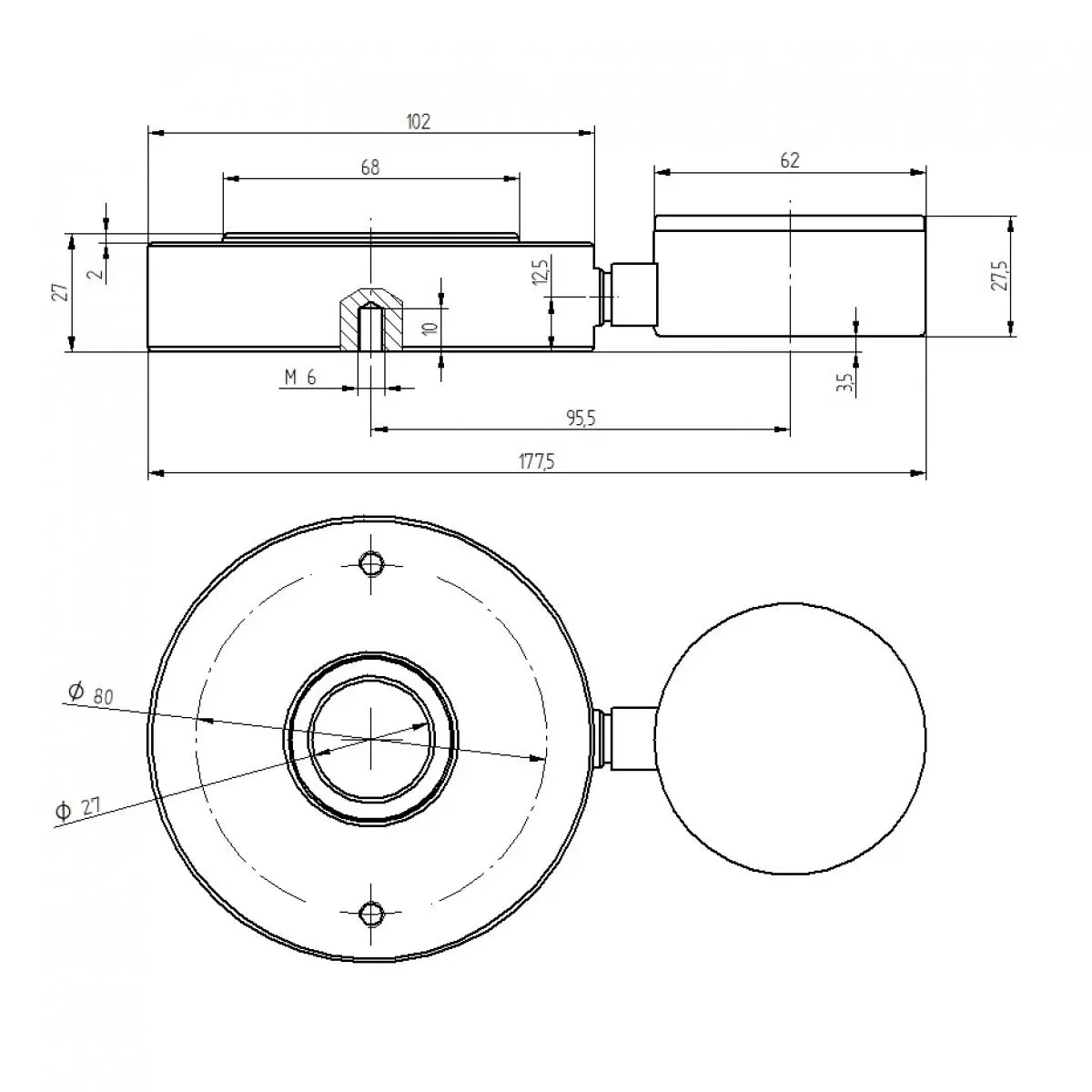
Newton Ölçer PCE-HFG 1K Analog ölçekli / Küçük montaj alanları için kompakt / Çubuk gösterge / Montaj delikleri / 27 mm halka açıklığı

Newton Ölçer PCE-HFG 1K, adaptöre etki eden kuvvetin hidrolik olarak ölçülmesi prensibine dayanır. Newton Ölçer, üretilen hidrolik basıncı ölçekte Newton cinsinden görüntüler. Newton Ölçerdeki entegre çubuk gösterge ile maksimum ölçüm değeri görüntülenebilir.

Newton Ölçerin bir diğer önemli özelliği de 27 mm halka açıklığıdır. Bu halka açıklığı sayesinde Newton Ölçer ile kılavuz raylarda, şaftlarda ve hidrolik presin cıvatalarında ölçüm gerçekleştirilebilir. Newton Ölçer, yerleştirilebilir adaptör kullanılarak saniyeler içinde halka Newton Ölçerinden baskı Kuvveti Ölçüm Cihazına dönüştürülebilir. Böylece, Newton Ölçer esnek bir şekilde kullanılabilir.

Newton Ölçer, ölçülecek kuvvetlerin etkili olduğu her yerde kullanılır. Newton Ölçer, endüstriyel makinelerde bakım ölçümleri ve ayarları için idealdir.


Özellikler

- Paslanmaz çelik kuvvet sensörü
- Statik baskı kuvveti ölçümü
- Halka kuvvet sensörü ve baskı pistonnu
- Eksenel montaj için vidalı bağlantı
- Entegre sürükleme ibresi
- Newton cinsinden basınç kuvvet göstergesi [N]
- ISO Kalibrasyon Sertifikası dahil

Teknik Bilgiler

Kuvvet 
Ölçüm aralığı  0 ... 1000 N
Çözünürlük  20 N
Hassasiyet  Son değerin ± % 1,95'i
  
Genel teknik bilgiler 
Birimler  N, kn
Ekran tipi  Ekransız
Sensör  Hidrolik kuvvet dönüştürücü
Sabitleme  2 x M6 delikler
Çalışma koşulları  0 ... 50 °C , % 20 ... 90 n.o.
Depolama koşulları  - 10 ... 60 °C , % 20 ... 90 n.o.
Boyutlar ( )  mm
Ağırlık  1600 g

Teslimat İçeriği

1 x Newton Ölçer PCE-HFG 1K-ICA
1 x Yerleştirme Plakası
1 x Taşıma Çantası
1 x Kullanım Kılavuzu
1 x ISO Kalibrasyon Sertifikası