Zum Hauptinhalt springen

Newton Ölçer PCE-HFG 10K-ICA

Newton Ölçer PCE-HFG 10K-ICA ISO Kalibrasyon Sertifikası dahil

Sip.no.: PCE-HFG 10K-ICA
EAN: 4250348726025
34.471,00 TL
41.365,20 TL
ISO kalibrasyonu
Fiyat artı kargo* ücreti
:
4250348726025
PCE-HFG 10K-ICA
Teslimat süresi:5-7 iş günü

Ürün Bilgisi

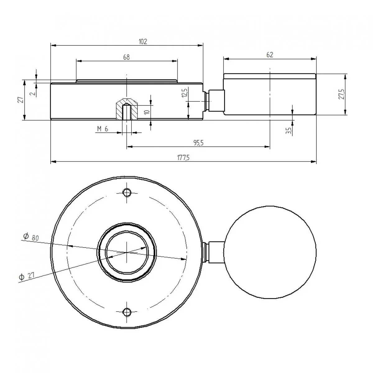
Newton Ölçer PCE-HFG 10K Analog ölçekli / Küçük montaj alanları için kompakt / Çubuk gösterge / Montaj delikleri / 27 mm halka açıklığı

Newton Ölçer PCE-HFG 10K, adaptöre etki eden kuvvetin hidrolik olarak ölçülmesi prensibine dayanır. Newton Ölçer, üretilen hidrolik basıncı ölçekte Newton cinsinden görüntüler. Newton Ölçerdeki entegre çubuk gösterge ile maksimum ölçüm değeri görüntülenebilir.

Newton Ölçerin bir diğer önemli özelliği de 27 mm halka açıklığıdır. Bu halka açıklığı sayesinde Newton Ölçer ile kılavuz raylarda, şaftlarda ve hidrolik presin cıvatalarında ölçüm gerçekleştirilebilir. Newton Ölçer, yerleştirilebilir adaptör kullanılarak saniyeler içinde halka Newton Ölçerden baskı Newton Ölçere dönüştürülebilir. Böylece, Newton Ölçer esnek bir şekilde kullanılabilir.

Newton Ölçer, ölçülecek kuvvetlerin etkili olduğu her yerde kullanılır. Newton Ölçer, endüstriyel makinelerde bakım ölçümleri ve ayarları için idealdir.


Özellikler

- Paslanmaz çelik kuvvet sensörü
- Statik baskı kuvveti ölçümü
- Halka kuvvet sensörü ve baskı pistonnu
- Eksenel montaj için vidalı bağlantı
- Entegre sürükleme ibresi
- Newton cinsinden basınç kuvvet göstergesi [N]
- ISO Kalibrasyon Sertifikası dahil

Teknik Bilgiler

Kuvvet 
Ölçüm aralığı  0 ... 10000 N
Çözünürlük  200 N
Hassasiyet  Son değerin ± % 1,95'i
  
Genel teknik bilgiler 
Birimler  N, kn
Ekran tipi  Ekransız
Sensör  Hidrolik kuvvet dönüştürücü
Sabitleme  Matkap delikleri 2 x M6
Çalışma koşulları  0 ... 50 °C , % 20 ... 90 n.o.
Depolama koşulları  -10 ... 60 °C , % 20 ... 90 n.o.
Boyutlar ( )  mm
Ağırlık  1600 g

Teslimat İçeriği

1 x Newton Ölçer PCE-HFG 10K-ICA
1 x Yerleştirme Plakası
1 x Taşıma Çantası
1 x Kullanım Kılavuzu
1 x ISO Kalibrasyon Sertifikası