Zum Hauptinhalt springen

Dinamometre PCE-HFG 25K-ICA ISO Kalibrasyon Sertifikası dahil

Dinamometre PCE-HFG 25K-ICA ISO Kalibrasyon Sertifikası dahil

Sip.no.: PCE-HFG 25K-ICA
EAN: 4250348726056
39.754,00 TL
47.704,80 TL
ISO kalibrasyonu
Fiyat artı kargo* ücreti
:
4250348726056
PCE-HFG 25K-ICA
Teslimat süresi:5-7 iş günü

Ürün Bilgisi

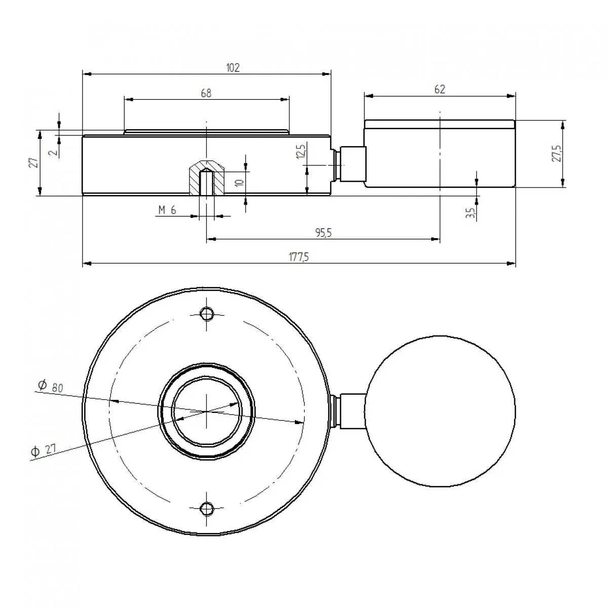
Dinamometre PCE-HFG 25K Analog ölçekli / Küçük montaj alanları için kompakt / Çubuk gösterge / Montaj delikleri / 27 mm halka açıklığı

Dinamometre, adaptöre etki eden kuvvetin hidrolik olarak ölçülmesi prensibine dayanır. Dinamometre, üretilen hidrolik basıncı ölçekte Newton cinsinden görüntüler. Dinamometredeki entegre çubuk gösterge ile maksimum ölçüm değeri görüntülenebilir.

Dinamometrenin bir diğer önemli özelliği de 27 mm halka açıklığıdır. Bu halka açıklığı sayesinde Dinamometre ile kılavuz raylarda, şaftlarda ve hidrolik presin cıvatalarında ölçüm gerçekleştirilebilir. Dinamometre, yerleştirilebilir adaptör kullanılarak saniyeler içinde halka Dinamometreden baskı Dinamometreye dönüştürülebilir. Böylece, Dinamometre esnek bir şekilde kullanılabilir.

Dinamometre, ölçülecek kuvvetlerin etkili olduğu her yerde kullanılır. Dinamometre, endüstriyel makinelerde bakım ölçümleri ve ayarları için idealdir.


Özellikler

- Paslanmaz çelik kuvvet sensörü
- Statik baskı kuvveti ölçümü
- Halka kuvvet sensörü ve baskı pistonnu
- Eksenel montaj için vidalı bağlantı
- Entegre sürükleme ibresi
- Newton cinsinden basınç kuvvet göstergesi [N]
- ISO Kalibrasyon Sertifikası dahil

Teknik Bilgiler

Kuvvet 
Ölçüm aralığı  0 ... 25000 N
Çözünürlük  1000 N
Hassasiyet  Son değerin ± %1,95'i
  
Genel teknik bilgiler 
Birimler  kN
Ekran tipi  Analog
Sensör  Hidrolik kuvvet dönüştürücü
Sabitleme  Matkap delikleri 2 x M6
BoyutlarEkran boyutu: Ø55 mm
Koruma sınıfı (cihaz)IP52
Çalışma koşulları  0 ... 50 °C, %20 ... 90 n.o.
Depolama koşulları  - 10 ... 60 °C, %20 ... 90 n.o.
Boyutlar (U x G x Y x Ç)  175 x 100 x 28 x 55 mm
Ağırlık  1600 g

Teslimat İçeriği

1 x Dinamometre PCE-HFG 25K-ICA
1 x Yerleştirme Plakası
1 x Taşıma Çantası
1 x Kullanım Kılavuzu
1 x ISO Kalibrasyon Sertifikası