Zum Hauptinhalt springen

Debimetre PCE-FST-200-202-H-U

Debimetre PCE-FST-200-202-H-U

Sip.no.: PCE-FST-200-202-H-U
EAN: 4250348717450
17.130,00 TL
20.556,00 TL
Fiyat artı kargo* ücreti
:
4250348717450
PCE-FST-200-202-H-U
Teslimat süresi:1-2 iş günü

Ürün Bilgisi

Debimetre PCE-FST-200-202-H-U
Sabit kurulum / Sağlam rüzgar sensörü / Toz kaplama / Hava koşullarına dayanıklı /
Analog çıkış sinyalleri / Isıtmalı

Debimetre PCE-FST-200-202-H-U, rüzgar yönünü ölçer ve ölçüm değerlerini analog formda aktarır. Debimetre, basit montajı sayesinde çeşitli ölçüm cihazlarına bağlanabilir. Debimetre, en küçük rüzgar hızlarını bile tespit edebilir ve ölçüm değerlerini doğrudan aktarır. Debimetre saniyede 0.8 metreden daha düşük  rüzgar hızına duyarlıdır. Debimetre, farklı çıkışları bulunan farklı versiyonlarda mevcuttur.

Debimetre, 4 … 20 mA ve 0 … 10 V DC çıkışı ile kullanılabilir. Debimetre, oksidasyona karşı koruyan ve böylece paslanmayı önleyen bir metal alaşımdan üretilmiştir. Bu da debimetrenin olumsuz hava koşullarında da kullanılmasını sağlar. Hassas parçalarda bulunan contalar, debimetreyi sudan ve ince toz gibi diğer partiküllerden korur.


Özellikler

- Metal alaşım
- Çeşitli contalarla koruma
- Basit montaj
- Isıtmalı
- Rüzgar yönünün doğrudan ölçümü
- Düşük rüzgar hızlarından ölçüm

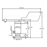
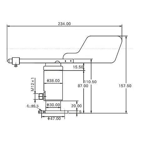
Teknik Bilgiler

Çıkış Sinyali
0 … 10 V DC
Çalışma Voltajı12 ... 36 V DC
Çözünürlük22.5°
Ölçüm Aralığı0 … 360°
Ölçüm≤ 0.8 m/s
Hassasiyet

± 3°

Elektrik Direnci250 Ω
Isıtma Kapasitesi24V DC’de 10 W
Maksimum Rüzgar HızıMaksimum 30 dakikada 70 m/s
Elektrik BağlantısıM12
KorumaIP65

Teslimat İçeriği

1 x Debimetre PCE-FST-200-202-H-U
1 x M12 Bağlantı Fişi
1 x Kablo (3 metre)
1 x Kullanım Kılavuzu