Zum Hauptinhalt springen

Anemometre CWG 1

Sip.no.: CWG 1
EAN:
20.795,00 TL
24.954,00 TL
Fiyat artı kargo* ücreti
CWG 1
Teslimat süresi:1-2 iş günü

Ürün Bilgisi

Dürtü çıkışlı temel rüzgar vericisi / Isıtma


Anemometre CWG1 görevleri izleme için temel rüzgar vericisidir. Temel gereksinimler için ideal ölçüm dönüştürücülerdir ve uygun maliyetli çözümler için uygundurlar. Teknoloji, gerekli olan temel gereksinimlere odaklanır ve uzun ömürlü olmasını sağlar, tüm hareketli ve destekleyici parçalar dayanıklı sentetik malzemeler kullanılarak üretilir.



Özellikler

- Temel rüzgar vericisi
- 12 m bağlantı kablosu
- Kolay montaj
- 4...20 mA çıkış


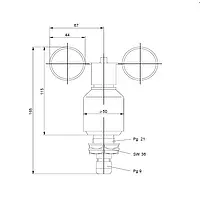
Teknik Bilgiler

Çıkış

4...20 V

Ölçüm Okuma Aralığı0...50 m/s
Hassasiyet± 0,5 m/s  5 % v. M
YüklemeMaks. 80 m/s
Güç Kaynağı9...30 V AC / DC maks. 50 mA
MontajDirek tüpünde
IsıtmaMaks. 24 V DC/AC, maks. 20 W
Ortam Sıcaklığı25...+60 °C
Kablo (seçilebilir)12 m; LiYY 6 x 0,25 mm2
Koruma SınıfıIP54
AğırlıkYaklaşık 500 gram

Teslimat İçeriği

Teslimat İçeriği;
1 x Anemometre CWG 1,
1 x Kullanım Kılavuzu.

Bilgi İndirme