 
		 
		 
		Akış Ölçüm Cihazı PCE-FST-200-201-U
Sabit kurulum / Sağlam rüzgar sensörü / Toz kaplama / Çeşitli contalarla hava koşullarına dayanıklı
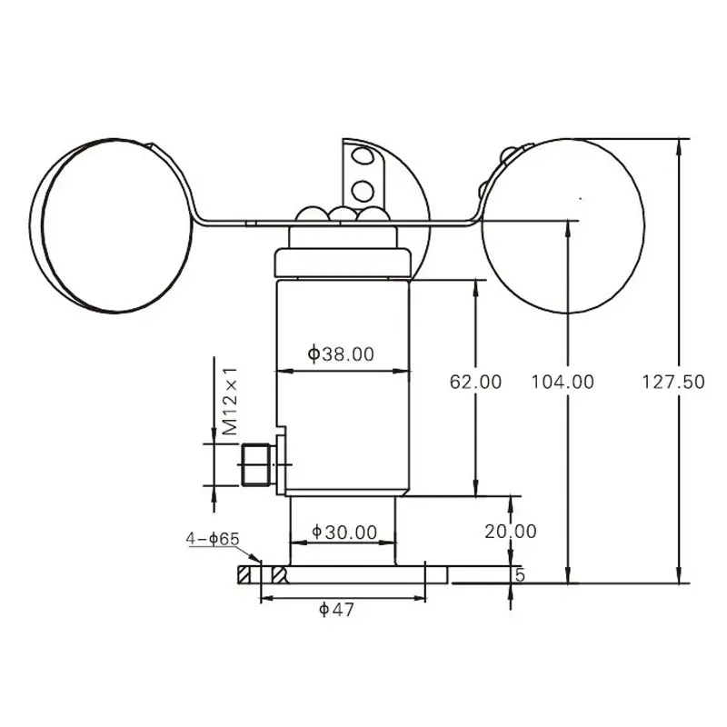
Akış ölçüm cihazı PCE-FST-200-201-U, basit montajı ile çeşitli ölçüm cihazlarına bağlanabilir. Akış ölçüm cihazı, en küçük hava hareketini bile algılar ve ölçüm sonucunu analog olarak iletir. Cihaz, oksidasyona karşı koruyan ve böylece paslanmayı önleyen metal alaşımdan üretilmiştir. Bu da cihazın en zorlu ortamlarda bile kullanılmasını sağlar. Hassas parçalarda bulunan contalar, cihazı sudan ve ince toz gibi diğer parçacıklardan korur.
Akış ölçüm cihazı PCE-FST-200-201-U, en küçük rüzgar hızlarını bile algılayabilen bir kupalı akış ölçüm cihazı'dır ve saniyede 0.5 metreden daha az rüzgar hızına duyarlıdır. Cihaz, farklı çıkışları bulunan farklı versiyonlarda mevcuttur. Akış ölçüm cihazı, 4 … 20 mA ve 0 … 10V DC çıkışı ile kullanılabilir.
| Çıkış Sinyali | 4 ... 20 mA (PCE-FST-200-201-I) 0 ... 10 V DC (PCE-FST-200-201-U) | 
| Çalışma Voltajı | 12 ... 36 V DC | 
| Ölçüm Aralığı | 0.5 m/s ... 50 m/s | 
| Ölçüm | ≤ 0.5 m/s | 
| Hassasiyet | ±0.5 m/s (<5 m/s) | 
| Çalışma Sıcaklık Aralığı | -20 ... +85°C, ≤95 % bağıl nem | 
| Maksimum Rüzgar Hızı | Maksimum 30 dakikada 70 m/s | 
| Elektrik Bağlantısı | M12 | 
| Koruma | IP65 |