Zum Hauptinhalt springen

Rüzgar Sensörü PCE-FST-200-202-U

Rüzgar Sensörü PCE-FST-200-202-U

Sip.no.: PCE-FST-200-202-U
EAN: 4250348717436
12.146,00 TL
14.575,20 TL
Fiyat artı kargo* ücreti
:
4250348717436
PCE-FST-200-202-U
Teslimat süresi:1-2 iş günü

Ürün Bilgisi

Rüzgar Sensörü PCE-FST-200-202-U
Sabit kurulum / Sağlam rüzgar sensörü / Toz kaplama /
Çeşitli contalar nedeniyle hava koşullarına dayanıklı / Analog çıkış sinyalleri

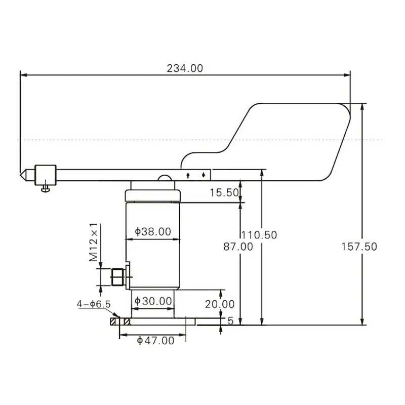
Rüzgar sensörü PCE-FST-200-202-U, rüzgar yönünü ölçer ve ölçüm sonucunu analog olarak iletir. Rüzgar sensörü, basit montajı ile çeşitli ölçüm cihazlarına bağlanabilir. Cihaz, en küçük rüzgar hızlarını bile algılayabilir ve saniyede 0.8 metreden daha az rüzgar hızına duyarlıdır. Cihaz, farklı çıkışları bulunan farklı versiyonlarda mevcuttur.

Rüzgar sensörü, 4 … 20 mA ve 0 … 10 V DC çıkışı ile kullanılabilir. Cihaz, oksidasyona karşı koruyan ve böylece paslanmayı önleyen metal alaşımdan üretilmiştir. Bu da cihazın zorlu ortamlarda da kullanılmasını sağlar. Hassas parçalarda bulunan contalar, cihazı sudan ve ince toz gibi diğer parçacıklardan korur.


Özellikler

- Metal alaşım
- Çeşitli contalarla koruma
- Basit montaj
- Uzun ömürlü
- Rüzgar yönünün doğrudan ölçümü
- Düşük rüzgar hızlarından ölçüm

Teknik Bilgiler

Çıkış Sinyali
0 … 10 V DC
Çalışma Voltajı12 ... 36 V DC
Çözünürlük22.5°
Ölçüm Aralığı0 … 360°
Ölçüm≤ 0.8 m/s (1.8 mph)
Hassasiyet

± 3°

Elektrik Direnci250 Ω
Maksimum Rüzgar HızıMaksimum 30 dakikada 70 m/s
Elektrik BağlantısıM12
KorumaIP65

Teslimat İçeriği

1 x Rüzgar Sensörü PCE-FST-200-202-U
1 x M12 Bağlantı Fişi
1 x Kablo (3 metre)
1 x Kullanım Kılavuzu