Zum Hauptinhalt springen

Kuvvet Sensörü PCE-C-R13LFC Serisi 5-100 kg

Kuvvet Sensörü PCE-C-R13LFC 20-H7

Sip.no.: PCE-C-R13LFC 20-H7
EAN: 4250348734723
14.386,00 TL
17.263,20 TL
Fiyat artı kargo* ücreti
:
4250348734723
PCE-C-R13LFC 20-H7
Teslimat süresi:2 hafta

Ürün Bilgisi

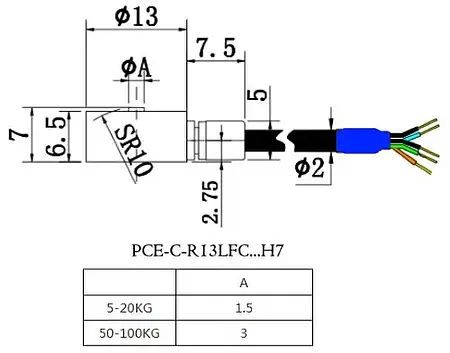
Kuvvet Sensörü PCE-C-R13LFC 20-H7

Kuvvet sensörü PCE-C-R13LFC 20-H7 sadece % 0.5 ölçüm belirsizliğine sahip paslanmaz çelikten yapılmıştır. Kuvvet sensörü,  Ø 13 mm boyutu ve 7 mm toplam yüksekliğiyle çok yönlüdür.


Teknik Bilgiler

Nominal Yük / Kuvvet F.S.20 kg
200 N
Sınır Yük / Kuvvet% 120
Kırılma Yükü / Kuvveti% 150
Nominal Değer1.0 – 1.5 mV/V
Besleme Gerilimi Kullanım Aralığı2.5 V – 5 V
Maksimum Besleme Gerilimi5 V
Sıfır Sinyalinin Sapmaları± % 2 F.S.
Doğrusallık Sapması% 0.5 F.S.
Ters Gerilim (Histerezis)% 0.5 F.S.
Tekrarlanabilirlik% 0.5 F.S.
Gerilim Sürünmesi (30 dk)% 0.1 F.S.
Giriş Direnci350 ± 10 Ω
Çıkış Direnci350 ± 3 Ω
İzolasyon Direnci≥ 5000 MΩ / 100 VDC
Nominal Çevre Sıcaklığı Aralığı- 10 … + 60 °C
Kullanım Sıcaklık Aralığı- 20 … + 80 °C
Karakteristik Değerin Sıcaklık Katsayısı
% 0.1 F.S. / 10 °C
Sıfır Noktasının Sıcaklık Katsayısı% 0.1 F.S. / 10 °C
Sensör KablosuØ 2 x 3 m / (açık uçlu)
Kablo Ataması




EXC+ = kırmızı
EXC- = siyah
SIG+ = yeşil
SIG- =  beyaz
GND = sarı
Malzeme / Ölçüm ElemanıPaslanmaz çelik
Koruma SınıfıIP65

Teslimat İçeriği

1 x Kuvvet Sensörü PCE-C-R13LFC 20-H7.