Zum Hauptinhalt springen

Mesureur de force hydraulique

Mesureur de force hydraulique PCE-HFG 25K-ICA avec certificat d'étalonnage ISO

Référence: PCE-HFG 25K-ICA
GTIN (EAN): 4250348722874
709,90 €
851,88 €
Calibration ISO
Prix HT / Frais d'envoi non compris (8,00 € + TVA)
:
4250348722874
PCE-HFG 25K-ICA
Délai de livraison:env. 10-15 jours ouvrés

Description

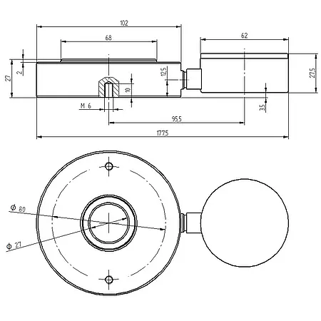
Mesureur de force hydraulique analogique / Plage de mesure jusqu’à 25 kN / Compact pour espaces réduits / Avec aiguille suiveuse / Filetage de fixation inclus / Ouverture centrale de 27 mm / Avec certificat d'étalonnage ISO
Le principe de mesure d’un mesureur de force hydraulique permet à une force d’agir sur un piston. La pression hydraulique qui en résulte s’affiche au niveau de l’indicateur sur une échelle en Newton. L’aiguille suiveuse de l’indicateur affiche la valeur maximale atteinte. L’une des particularités du mesureur de force hydraulique est son ouverture centrale de 27 mm. Grâce à cette ouverture en forme de bague, vous pouvez effectuer des mesures de force dans les rails de guidage, les axes et les boulons. La plaque d’adaptation permet de convertir toute la base plate avec une surface d’appui de 80 mm. Cela vous permet d’adapter le mesureur de force hydraulique à son utilisation.

Un mesureur de force hydraulique peut être utilisé partout où les forces à mesurer agissent. C’est pourquoi, le mesureur de force hydraulique est idéal pour les travaux de maintenance et de réglage des machines industrielles.

Caractéristiques

- Plage de mesure : 25 kN
- Mesureur de force hydraulique en acier inoxydable
- Mesure des forces de pression statiques
- Piston en forme de bague
- Filetage pour montage axial
- Avec aiguille suiveuse
- Indication de la force en Newton
- Avec certificat d'étalonnage ISO

Spécifications

Plage de mesure 0 … 25 k N
Résolution 1000 N
Précision ±1,95 % F.S.
Dimensions de l'indicateur Ø55 mm
Filetage de fixation 2 x M6
Matériel cellule de charge Acier inoxydable
Température ambiante 0 … 50 °C
Poids 1640 g

Contenu de livraison

1 x Mesureur de force hydraulique
1 x Plaque d’adaptation
1 x Mallette de transport
1 x Manuel d’utilisation
1 x Certificat d'étalonnage ISO

Documents / Téléchargements