Zum Hauptinhalt springen

Anémomètre

Anémomètre CWG 1

Référence: CWG 1
GTIN (EAN):
399,90 €
479,88 €
Prix HT / Frais d'envoi non compris (8,95 € + TVA)
CWG 1
Délai de livraison:1-2 jours ouvrés
Coupelles
Externe
Non

Description

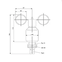
Anémomètre compact avec sortie 4-20 mA
L'anémomètre compact pour la surveillance du vent. Simple anémomètre de coupelles avec sortie 4-20 mA.

Caractéristiques

- Mesureur climatologique simple
- Montage simple
- Cable de connexion de 3 m
- Sortie 4-20 mA

Spécifications

Sortie

4-20 mA

Plage de mesure

0 ... 50 m/s

Précision

±0,5 m/s ou 3 % de la valeur mesuré

Charge

Max. 80 m/s à court terme

Impédance d'entrée

500 ohm à 15 V de tension

Alimentation

9 … 30 V AC / DC max. 50 mA

Montage

Sur tuyau

Chauffage

Max. 24 V DC/AC, max. 20 W

Température ambiante

-25 … +60 ºC (libré de gélée)

Câble

13 m ; LiYY 6 x 0,25 mm2

Type de protection

IP54

Poids

500 g


Contenu de livraison

1 x Anémomètre
1 x Fiche technique

Documents / Téléchargements