179,90 €
						
					
					
				 
		 
		| Plage de mesure | 0,5 ... 50 m/s | |
| Précision | ±0,5 m/s ±3 % FS | Plage : < 5 m/s Plage : ≥ 5 m/s | 
| Mesure à partir de | ≤ 0,5 m/s | |
| Vitesse du vent max. | 70 m/s à max. 30 minutes | |
| Signal de sortie | 4 ... 20 mA 0 ... 10 V DC | Modèle : PCE-FST-200-201-I Modèle : PCE-FST-200-201-U | 
| Capacité de chauffage | 10 W à 24 V DC (uniquement modèles PCE-FST-200-201-x-H) | |
| Alimentation | 12 ... 36 V DC | |
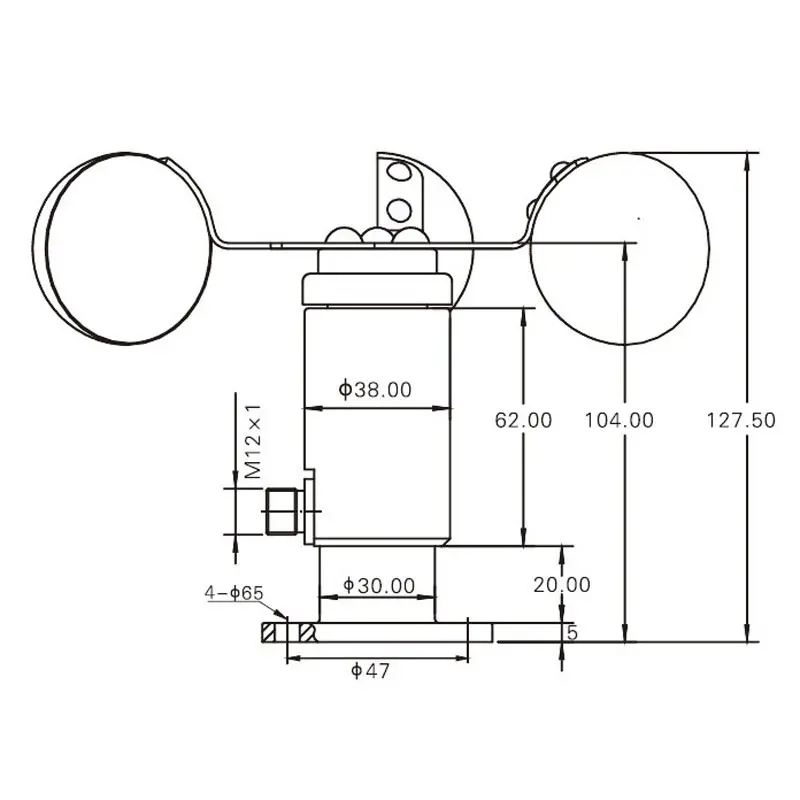
| Connexion électrique | M12 | |
| Classe de protection | IP65 | |
| Conditions de fonctionnement | -20 ... +85 ºC / ≤ 95 % H.r. | |
| Poids | 375 g | |