Zum Hauptinhalt springen

Appareil de mesure de l'humidité Hygromètre PCE-330

Appareil de mesure de l'humidité Hygromètre PCE-330

Référence: PCE-330
GTIN (EAN): 4250348714169
422,90 €
507,48 €
Prix HT / Frais d'envoi non compris (25,00 € + TVA)
:
4250348714169
PCE-330
Délai de livraison:1-2 jours ouvrés

Description

Appareil de mesure de l'humidité Hygromètre de précision avec mémoire interne pour déterminer la température, l'humidité ambiante et le point de rosée grâce à la sonde externe
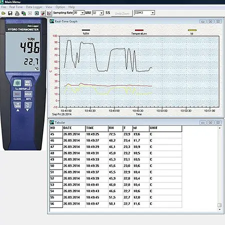
L'hygromètre de précision est apte pour une mesure rapide de la température et l'humidité ambiantes. Cet hygrometre de précision est compact et calcule aussi le point de rosée. Le grand écran permet une lecture facile. L'hygromètre de précision dispose d'une ample mémoire (16.000 valeurs). Ces valeurs peuvent être transmises à un PC pour un analyse postérieure avec le logiciel inclus dans l'envoi. L'hygromètre est apte pour mesures continues. Cela vous permet par exemple, de prévenir le moisi dans les aliments pour des secteurs de transport et stockage. Dans les secteurs de la construction, on pourrait utiliser aussi cet hygromètre pour éviter des condensations sur les murs. Grâce à leurs dimensions compactes cet hygromètre est spécialement idéal pour la mesure in situ. En plus de la fonction d'enregistrement de données, l'hygromètre dispose des fonctions MAX / MIN / HOLD.

Caractéristiques

- Haute précision
- Possibilité de communication avec un PC
- Dimensions compactes
- Mesure du point de rosée
- Ample mémoire (16.000 valeurs)
- Logiciel inclus
- Mesure immédiate
- Écran avec rétroéclairage

Spécifications

Type de capteur

Capacitif / NTC

 

Plages de mesure

Humidité relative
Température et point de rosée

0 ... 100 % H.r.
-20 ... +60 °C

 

Résolution

Température / température de point de rosée
Humidité relative

0,1°C
0,1 % H.r.

 

Précision

Température
Humidité relative

-20 ... +60 °C: ± 0.8 °C
< 10 % et > 90 %: ± 4 %
10 % ... 90 %: ±2.0 %

 

Temps de réponse de l'humidité

60 s

Temps de réponse de température

10 s

Taux de mesure

2 mesures par seconde

Alimentation

Batterie de 9 V

Temps de durée

Environ 80 h

Adaptateur AC

9 V DC / 20 mA

Température ambiante

0 ... 40 °C

Humidité ambiante

10 ... 90 % H.r.

Température de stockage

-10 ... +60 °C

Humidité de stockage

10 ... 75 % H.r.

Dimensions du mesureur

185 x 65 x 36 mm

Dimensions du capteur

RP-31: 15 x 82 mm

Poids

Environ 285 g


Contenu de livraison

Contenu de l'envoi
1 x Hygromètre PCE-330
1 x Câble USB
1 x Logiciel
1 x Batterie de 9 V
1 x Notice d'emploi

Documents / Téléchargements