Zum Hauptinhalt springen

Cellule de charge hydraulique

Cellule de charge hydraulique PCE-HFG 25K-E100 avec certificat d'étalonnage ISO

Référence: PCE-HFG 25K-E100-ICA
GTIN (EAN): 4250348731937
834,90 €
1.001,88 €
Calibration ISO
Prix HT / Frais d'envoi non compris (45,00 € + TVA)
:
4250348731937
PCE-HFG 25K-E100-ICA
Délai de livraison:env. 10-15 jours ouvrés

Description

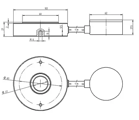
Cellule de charge hydraulique analogique / Plage de mesure jusqu’à 25 kN / Écran déportée / Avec aiguille suiveuse / Filetage de fixation inclus / Ouverture centrale de 27 mm / Avec certificat d'étalonnage ISO
Le principe de mesure d’une cellule de charge hydraulique permet à une force d’agir sur un piston. La pression hydraulique qui en résulte s’affiche au niveau de l’indicateur sur une échelle en Newton. L’aiguille suiveuse de l’indicateur affiche la valeur maximale atteinte. L’une des particularités de la cellule de charge hydraulique est son Ouverture centrale de 27 mm / Avec certificat d'étalonnage ISO. Grâce à cette ouverture en forme de bague, vous pouvez effectuer des mesures de force dans les rails de guidage, les axes et les boulons. La plaque d’adaptation permet de convertir toute la base plate avec une surface d’appui de 80 mm. Cela vous permet d’adapter la cellule de charge hydraulique à son utilisation.

Une cellule de charge hydraulique peut être utilisé partout où les forces à mesurer agissent. C’est pourquoi, la cellule de charge hydraulique est idéal pour les travaux de maintenance et de réglage des machines industrielles.

Caractéristiques

- Plage de mesure : 25 kN
- Cellule de charge hydraulique en acier inoxydable
- Mesure des forces de pression statiques
- Écran déportée (longueur câble de 1 m)
- Piston en forme de bague
- Filetage pour montage axial
- Avec aiguille suiveuse
- Indication de la force en Newton
- Avec certificat d'étalonnage ISO

Spécifications

Plage de mesure 0 … 25 kN
Résolution 1000 N
Précision ±1,95 % F.S.
Dimensions de l'indicateur Ø55 mm
Longueur câble 1 m
Filetage de fixation 2 x M6
Matériel cellule de charge Acier inoxydable
Température ambiante 0 … 50 °C

Contenu de livraison

1 x Cellule de charge hydraulique
1 x Plaque d’adaptation
1 x Mallette de transport
1 x Manuel d’utilisation
1 x Certificat d'étalonnage ISO

Documents / Téléchargements