Skip to main content

Force Gauge PCE-C-R12LFC-H4 series 5-50 kg

Force Gauge PCE-C-R12LFC-H4 series 5-50 kg

Order no.: PCE-C-R12LFC-H4
GTIN (EAN):
£ 231.00
£ 277.20
price ex. (VAT / delivery)
PCE-C-R12LFC-H4
Delivery time:2 weeks

Description


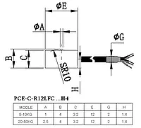
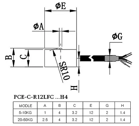
The flat miniature force gauge has a height of only 4 mm. With a diameter of 12 mm, this miniature force sensor is very compact. This force sensor achieves a measurement uncertainty of only 0.5%.






Specification

Rated load / force F.S. 5 / 10 / 20 / 30 / 50 kg
50 / 100 / 200 / 300 / 500 N
! Rated load / force selectable !
Limit load / force 120 %
Breaking load / force 150 %
Rated output 1.0 – 1.5 mV/V
Operating range of supply voltage 2.5 V – 5 V
Maximum supply voltage 5 V
Deviations of the zero signal ± 2 % F.S.
Linearity deviation 0.5 % F.S.
Reverse voltage (hysteresis) 0.5 % F.S.
Repeatability 0.5 % F.S.
Stress creep (30 min) 0.1 % F.S.
Input resistance 350 ± 10 Ω
Output resistance 350 ± 3 Ω
Insulation resistance ≥5000 MΩ / 100 VDC
Nominal range of ambient temperature -10 … 60 °C / 14 ... 140 °F
Service temperature range -20 … 80 °C / -4 ... 176 °F
Temperature coefficient of characteristic value 0.1 % F.S. / 10 °C
Temperature coefficient of zero point 0.1 % F.S. / 10 °C
Sensor cable Ø 2 x 3 m / (ends open)
Cable assignment EXC+ = red
EXC- = black
SIG+ = green
SIG- =  white
GND = yellow
Material / measuring body stainless steel
Protection IP65
! N.B. Rated load / force selectable !

Downloads