Skip to main content

Air Flow Meter PCE-FST-200-201-I

Air Flow Meter PCE-FST-200-201-I

Air Flow Meter PCE-FST-200-201-I

Order no.: PCE-FST-200-201-I
GTIN (EAN): 4250348716392
£ 193.00
£ 231.60
price ex. (VAT / delivery)
:
4250348716392
PCE-FST-200-201-I
Delivery time:1-2 working days

Description

Robust Air Flow Meter PCE-FST-200-201-I for permanent installation / Powder coating/
Weatherproof seal protection

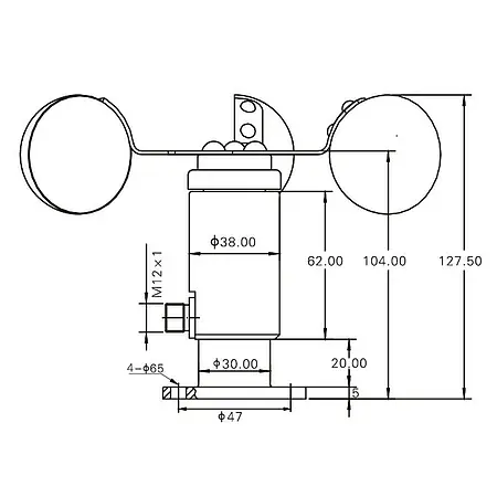
The wind speed sensor is compatible with and can be mounted on to a wide variety of available measuring equipment. The sensor will detect even the minutest movements of air and the results are then output in analogue form. The sensor is manufactured from corrosion resistant alloy, thus making it impervious to oxidation or rust. This allows the device to be used in the toughest environments. Sensitive parts are protected with seals, to prevent the ingress of water or fine dust.

The PCE-FST-200-201 wind speed sensor is a cup anemometer and is sensitive to wind speed down to as little as, less than 0.5 meters per second. The wind speed sensor is available in different versions with different outputs. This one is available with 4 … 20-mA output and a 0 … 10V DC output.

Highlights

- Alloys
- Long life span
- Seal protection
- Analogue output signal
- Easy assembly
- Detects minutest movements of air

Specification

Output signal4 … 20-mA
Operating voltage12 … 36V DC
Measurement reading range0.5 m/s … 50 m/s (1.1 ... 111.8 mph)
Measurement readings from≤ 0.5 m/s (1.1 mph)
Measurement reading accuracy      ± 0.5 m/s (1.1 mph), (< 5 m/s (11.2 mph))
± 3% from scale end value
Heat output10 W at 24V DC
Operating temperature range-20 … 185°C / -4 ... 85°F, at ≤ 95% rel. humidity
Maximum wind speed70 m/s (156.6 mph) at max. 30 minutes
Power connectionM12
Protection classIP55

Delivery Scope

1 x Air Flow Meter PCE-FST-200-201-I
1 x Plug M12
1 x 3 m / 9.8 ft cable
1 x Operating Manual