Zum Hauptinhalt springen

Medição de força Células de força

Medição de força Células de força série PCE-C-R19LFC 5-5000 kg

Referência: PCE-C-R19LFC
GTIN (EAN):
276,90 €
335,05 €
Preço sem IVA e sem frete (108,00 € + IVA)
PCE-C-R19LFC
Prazo de entrega:3 Semanas

Descrição

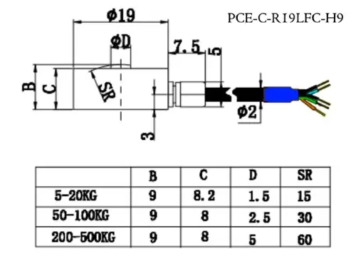
É uma célula de pressão como uma célula de força com uma faixa de medição alta de pequenas dimensões. Possui umas dimensões de Ø 19 mm e uma altura de 9 mm.

Especificações

Carga nominal / força F.S. 5 / 10 / 20 / 50 / 100 / 200 / 500 kg
50 / 100 / 200 / 500 / 1000 / 2000 / 5000 N
Carga nominal / força selecionável!!!
Limitação de carga / força120 %
Carga de ruptura / força150 %
Saída nominal1,0 – 1,5 mV/V
Faixa da tensão de alimentação2,5 V – 5 V
Tensão de alimentação máxima5 V
Desvio de sinal zero± 2 % F.S.
Desvio da linearidade0,5 % F.S.
Tensão inversa (Histerese)0,5 % F.S.
Repetibilidade0,5 % F.S.
Fluência de carga (30 min)0,1 % F.S.
Resistência de entrada350 ± 10 Ω
Resistência de saída350 ± 3 Ω
Resistência de isolamento≥5000 MΩ / 100 VDC
Faixa nominal da temperatura ambiente-10 … 60 °C
Faixa de temperatura de serviço-20 … 80 °C
Coeficiente de temperatura ou valor característico0,1 % F.S. / 10 °C
Coeficiente de temperatura ou ponto zero0,1 % F.S. / 10 °C
Cabo do sensorØ 2 x 3 m / (extremidade aberta)
Atribuição de pinosEXC+ = vermelho
EXC- = preto
SIG+ = verde
SIG- = branco
GND = amarelo
Material / Caixaaço inoxidável
ProteçãoIP65
Carga nominal / força selecionável no menu abaixo!!!