Zum Hauptinhalt springen

Transdutor de força

Transdutor de força PCE-C-R12LFC 10-H4

Referência: PCE-C-R12LFC 10-H4
GTIN (EAN):
295,90 €
358,04 €
Preço sem IVA e sem frete (25,00 € + IVA)
PCE-C-R12LFC 10-H4
Prazo de entrega:3 Semanas

Descrição

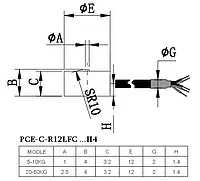
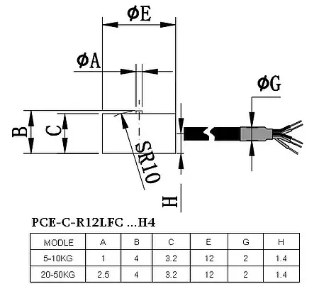
Um transdutor de força de aço inoxidável com uma incerteza de apenas 0,5%. Possui umas dimensões de Ø 12 mm e uma altura de 4 mm, o transdutor de força é muito versátil.

Especificações

Carga nominal / força F.S.

10 kg
100 N

Limitação de carga / força120 %
Carga de ruptura / força150 %
Saída nominal1,0 – 1,5 mV/V
Faixa da tensão de alimentação2,5 V – 5 V
Tensão de alimentação máxima5 V
Desvio de sinal zero± 2 % F.S.
Desvio da linearidade1,0 % F.S.
Tensão inversa (Histerese)1,0 % F.S.
Repetibilidade1,0 % F.S.
Fluência de carga (30 min)0,1 % F.S.
Resistência de entrada350 ± 10 Ω
Resistência de saída350 ± 3 Ω
Resistência de isolamento≥5000 MΩ / 100 VDC
Faixa nominal da temperatura ambiente-10 … 60 °C
Faixa de temperatura de serviço-20 … 80 °C
Coeficiente de temperatura ou valor característico0,1 % F.S. / 10 °C
Coeficiente de temperatura ou ponto zero0,1 % F.S. / 10 °C
Cabo do sensorØ 2 x 3 m / (extremidade aberta)
Atribuição de pinosEXC+ = vermelho
EXC- = preto
SIG+ = verde
SIG- = branco
GND = amarelo
Material / Caixaaço inoxidável
ProteçãoIP65