Zum Hauptinhalt springen

Dinamômetro hidráulico

Dinamômetro hidráulico PCE-HFG 2.5K-E100

Referência: PCE-HFG 2.5K-E100
GTIN (EAN): 4250348731883
679,90 €
822,68 €
Preço sem IVA e sem frete (90,00 € + IVA)
:
4250348731883
PCE-HFG 2.5K-E100
Prazo de entrega:1-3 dias (exceto fim de estoque)

Descrição

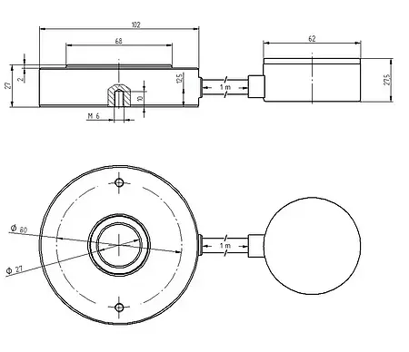
Dinamômetro hidráulico analógico / Faixa de medição 2,5 kN / Visor externo / Compacto para espaços reduzidos / Com ponteiro de arrasto / Inclui roscas de fixação / Abertura central de 27 mm / Opcional: certificado de calibração ISO

O princípio de medição de um dinamômetro hidráulico é deixar que a força atue sobre o pistão. A pressão hidráulica gerada é exibida no indicador do dinamômetro hidráulico na escala de Newton. O ponteiro de arrasto do indicador do dinamômetro hidráulico mostra o valor máximo alcançado.

Outra característica especial do dinamômetro hidráulico é a abertura central de 27 mm. Graças a essa abertura em forma de anel, é possível realizar medições de força em trilhos de guia, eixos e também parafusos. A placa adaptadora permite converter toda a base plana em uma superfície de apoio de 80 mm. Isso permite usar o dinamômetro hidráulico com flexibilidade.

Um dinamômetro hidráulico é usado sempre que houver forças que devem ser medidas. Portanto, um dinamômetro hidráulico é ideal para trabalhos de manutenção e trabalhos de ajuste em maquinarias industriais.

Características

- Faixa de medição: 2,5 kN
- Célula de carga de aço inoxidável
- Medição de forças de pressão estáticas
- Pistão com forma de anel
- Rosca para montagem axial
- Inclui ponteiro de arrasto
- Indicação de força em Newton [N]

Especificações

Faixa 0 … 2,5 kN
Resolução100 N
Precisão±1,95 % F.S.
Dimensões do indicador     Ø55 mm
Comprimento do cabo1 m
Rosca de fixação2 x M6
Material da célula de carga     Aço inoxidável
Temperatura ambiente0 … 50 °C

Conteúdo da remessa

1 x Dinamômetro hidráulico PCE-HFG 2,5K-E100
1 x Placa adaptadora
1 x Estojo de transporte
1 x Manual de instruções
1 x Certificado de calibração ISO