 
		 
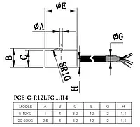
		| Carga nominal / força F.S. | 5 / 10 / 20 / 30 / 50 kg 50 / 100 / 200 / 300 / 500 N Carga nominal / força selecionável!!! | 
| Limitação de carga / força | 120 % | 
| Carga de ruptura / força | 150 % | 
| Saída nominal | 1,0 – 1,5 mV/V | 
| Faixa da tensão de alimentação | 2,5 V – 5 V | 
| Tensão de alimentação máxima | 5 V | 
| Desvio de sinal zero | ± 2 % F.S. | 
| Desvio da linearidade | 0,5 % F.S. | 
| Tensão inversa (Histerese) | 0,5 % F.S. | 
| Repetibilidade | 0,5 % F.S. | 
| Fluência de carga (30 min) | 0,1 % F.S. | 
| Resistência de entrada | 350 ± 10 Ω | 
| Resistência de saída | 350 ± 3 Ω | 
| Resistência de isolamento | ≥5000 MΩ / 100 VDC | 
| Faixa nominal da temperatura ambiente | -10 … 60 °C | 
| Faixa de temperatura de serviço | -20 … 80 °C | 
| Coeficiente de temperatura ou valor característico | 0,1 % F.S. / 10 °C | 
| Coeficiente de temperatura ou ponto zero | 0,1 % F.S. / 10 °C | 
| Cabo do sensor | Ø 2 x 3 m / (extremidade aberta) | 
| Atribuição de pinos | EXC+ =  vermelho EXC- = preto SIG+ = verde SIG- = branco GND = amarelo | 
| Material / Caixa | aço inoxidável | 
| Proteção | IP65 | 
| Carga nominal / força selecionável no menu abaixo!!! | |