Zum Hauptinhalt springen

Air Flow Meter PCE-FST-200-202-H-U

Air Flow Meter PCE-FST-200-202-H-U

Air Flow Meter PCE-FST-200-202-H-U

Order no.: PCE-FST-200-202-H-U
GTIN (EAN):
₹46,803.00
₹55,227.54
price ex. (VAT / delivery)
PCE-FST-200-202-H-U
Delivery time:1-2 working days
Direction
Vane
No
Yes (V output)

Description

Air Flow Meter PCE-FST-200-202-H-U
Robust wind sensor for permanent installation / Powder coating /
Weatherproof / Analogue output signals / Heating

The wind direction sensor measures the direction of wind and the results are then output in analogue form. The sensor is compatible with and can be mounted on to a wide variety of available measuring equipment  The sensor will detect even the minutest movements of air and the results are  directly passed on. The wind direction sensor is sensitive to wind speed down to as little as, less than 0.8 meters per second.

The wind direction sensor is available in different versions with different outputs. This one is available with 4 … 20-mA output and a 0 … 10V DC output. The sensor is manufactured from corrosion resistant alloy, thus making it impervious to oxidation or rust. This allows the device to be used in the toughest environments. Sensitive parts are protected with seals, to prevent the ingress of water or fine dust. A heating element prevents the sensor from freezing.


Highlights

- Alloys
- Heating
- Seal protection
- Direct wind direction measurements
- Easy assembly
- Detects minutest movements of air

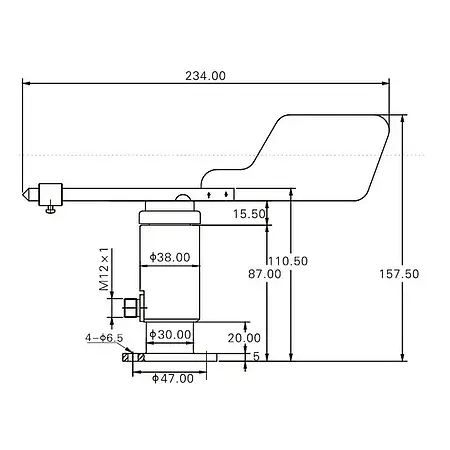
Specification

Output signal0 … 10V DC
Operating voltage12 … 36V DC
Resolution22.5°
Measurement reading range0 … 360°
Measurement readings from≤ 0.8 m/s (1.8 mph)
Measurement reading accuracy       ± 3°
Electrical resistance250 Ω
Heat output10 W at 24V DC
Operating voltage12 … 36V DC
Maximum wind speed70 m/s (156.6 mph) at max. 30 minutes
Power connectionM12
Protection classIP55

Delivery Scope

1 x Air Flow Meter PCE-FST-200-202-H-U
1 x Plug M12
1 x 3 m / 9.8 ft cable
1 x Operating Manual