Zum Hauptinhalt springen

Convertisseur de signal PCE-P17I

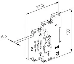
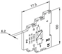
Image du convertisseur de signal PCE-P17I

Convertisseur de signal PCE-P17I

Référence: PCE-P17I
GTIN (EAN): 4250348710574
DH 775.000
DH 930.000
Prix HT / Frais d'envoi non compris (DH 0.000 + TVA)
:
4250348710574
PCE-P17I
Délai de livraison:1-2 jours ouvrés

Description

convertisseur de signal pour la séparation galvanique de signaux de 0 ... 20 mA / boucle d'alimentation / seulement 6 mm de large / réglette de montage / spécial pour le PCE-P18
Le convertisseur de signal PCE-P17I s'utilise pour la séparation galvanique de signaux. Le convertisseur de signal sépare par exemple des masses connectées. Souvent, dans des convertisseurs ou des transformateurs de mesure sans convertisseur de signal, les masses sont connectées. Cela donne des erreurs de mesure, car les signaux se superposent. Le convertisseur de signal évite ce problème. Le convertisseur de signal s'emploie souvent pour utiliser les deux signaux de courant du PCE-P18 . En combinaison, le convertisseur de signal peut envoyer les signaux de mesure au PCE-KD5. Là, les signaux séparés par le séparateur de signal PCE-P17I, sont traités proprement.

Caractéristiques

- Séparation galvanique de signaux de 0 ... 20
  mA
- Boucle d'alimentation
- Largeur de montage réduite
- Installation sur des réglettes DIN
- Il filtre des signaux perturbateurs à haute
  fréquence
- Construction simple
Fiche technique du convertisseur de signal PCE-P17I
Signal d'entrée
0 ... 20 mA (4 ... 20 mA)
Courant de réaction
Aprox. 150 µA
Entrée de courant max.
40 mA
Signal de sortie
0 ... 20 mA ... (4 ... 20 mA)
Charge (RLOAD)
0 ... 100 Ω (max. 500 Ω)
Diamètre du conducteur
0,2 mm² ... 2,5 mm² (AWG24-12)
Largeur de montage
6,2 mm
Poids
80 g
Température ambiante
-20 ... + 65 °C
Humidité de l'air ambiant
<95 % non condensé

Contenu de livraison

Contenu de la livraison du convertisseur de signal PCE-P17I
1 x Convertisseur de signal PCE-P17I
1 x Notice d'emploi